Ремонт привода Heidenhain в Говларе
Особенности ремонта приводов Heidenhain
Ремонт Heidenhain точнее ремонт привода известного европейского производителя промышленной электроники, впрочем, как и ремонт приводов выпущенными под другими брендами имеет ряд особенностей в силу своего конструктива. привод, состоит из двух частей, это:
- Аппаратная часть,
- Программная часть.
Регулируемые частотные приводы данного производителя не являются исключением из правил, именно поэтому ремонт привода Heidenhain имеет точно такой же ряд особенностей, как и у других преобразователей.
Диагностировать ту или иную неисправность помогают коды ошибок частотного привода Heidenhain, которые отображаются на небольшом дисплее, расположенном на лицевой панели привода или выводятся на удаленный монитор.
Ремонт привода Heidenhain в Говларе, впрочем, как и любых других приводов независимо от бренда всегда начинается с аппаратной части, только после успешного ремонта аппаратной части наступает очередь программной.
Настройка привода Heidenhain прописана в инструкции завода производителя, для каждой серии приводов настройка будет индивидуальной, так как каждая линейка преобразователей решает свои собственные задачи, этим обусловливается широкая номенклатура данного промышленного оборудования. Но все же есть определенная последовательность настройки привода, которая относится ко всем частотникам, любого производителя.
Программирование Heidenhain, руководство по программированию, настройка
Настройка, программирование приводов Heidenhain в Говларе, происходит в рамках установленных производителем правил, существует общий алгоритм по программированию приводов (настройке приводов), который относится ко всем производителям данного промышленного оборудования. Ниже представлена пошаговая инструкция по программированию привода Heidenhain и подобного промышленного оборудования других брендов.
- Выбор режима управления приводом (управление по показанию датчиков, дистанционное управление, дистанционное управление).
- В случае использования отдельного (выносного) монитора, настраивается вывод на него технической информации.
- Далее определяем конфигурацию подключения серводвигателя. На данной стадии задаются такие параметры как- возможность применения обратной связи либо без ее применения, а в память блока заносятся данные по: величине крутящего момента, мощности потребителей, номинальное значения частоты, напряжение, ток и скорости вращения ротора.
- Программируется минимально допустимая величина напряжения и частоты, а также время ускорения ротора от ноля до номинального значения.
- И в завершении, в программу управления приводом Heidenhain вносятся функциональные данные со значениями отдельных клемм и особенностями сигналов. Отмечаются действия оборудования, выполняющиеся автоматически при отсутствии информации поступающей в оперативном режиме с датчика.
В некоторых регулируемых частотных приводах существует пункт наличия/отсутствия фильтра в цепи питания двигателя. Этот пункт отвечает за подключение различных видов нагрузок, в том случае, когда возможно выбрать нормальное или инверсное изменение частоты при повышении уровня сигнала обратной связи.
Ремонт привода Heidenhain в сервисном центре
Сервисный центр «Кернел» производит ремонт привода Heidenhain в Говларе с 2002 года. За время существования компании наши сотрудники накопили колоссальный опыт в ремонте регулируемых частотных приводов такого известного производителя как Heidenhain. Ремонт подобной промышленной электроники ответственное и сложное занятие, требующие максимальной отдачи, профессионализма и предельно полную материальную базу
Специалисты нашего сервисного центра максимальное внимание уделяют качеству исполнения ремонта, программирования и настройке промышленных приводов, не зависимо от производителя данного промышленного оборудования. Именно поэтому мы смело даем гарантию на ремонт привода Heidenhain и на запасные части замененные в процессе ремонта шесть месяцев.
Ремонт привода Heidenhain производится исключительно с использованием оригинальных запасных частей, на компонентном уровне с применением высокотехнологичного оборудования, квалифицированным персоналом с инженерным образованием.
Мы ремонтируем все серии регулируемых частотных приводов, которые были выпучены за всю историю существования компании Heidenhain. Вот некоторые типы приводов Heidenhain ремонтируемые в нашем сервисном центре.
|
Heidenhain UEC 111, UEC 111 FS |
ID 1075825-01, ID 1075825-02, ID 625777-01, ID 625777-02, ID 625777-03, ID 625777-04 |
|
Heidenhain UEC 113, UEC 113 FS |
ID 1038694-01, ID 1038694-02, ID 828471-01, ID 828471-02 |
|
Heidenhain UE 112, UEC 112 FS |
ID 375715-01, ID 375715-02, ID 1075826-01, ID 1075826-02, ID 1081003-01, ID 625779-01, ID 625779-02, ID 625779-03, D 313501-01 |
|
Heidenhain UE 210, UE 210B, UE 210D |
ID 313500-02, ID 313500-03, ID 313500-13, ID 337042-01, ID 337042-02, ID 337042-51, ID 337042-52, ID 558302-01, ID 733421-01, ID 313504-01 |
|
Heidenhain UE 211, UE 211B, UE 211D |
ID 313504-02, ID 313504-03, ID 313504-12, ID 313504-13, ID 313504-52, ID 337043-02, ID 337043-51, ID 337043-52, ID 558303-01, ID 733423-01 |
|
Heidenhain UE 230, UE 230B, UE 230D |
ID 329037-01, ID 329037-02, ID 329038-02, ID 329038-03, ID 558305-01, ID 733425-01 |
|
Heidenhain UE 240, UE 240B, UE 240D |
ID 313502-01, ID 313502-02, ID 313502-03, ID 337039-01, ID 337039-02, ID 337039-03, ID 558306-01, ID 733426-01 |
|
Heidenhain UE 241, UE 241B, UE 241D |
ID 313505-02, ID 313505-03, ID 337040-01, ID 337040-02, ID 337040-03, ID 558307-01, ID 733427-01 |
|
Heidenhain UE 242, UE 242B, UE 242D |
ID 313503-01, ID 313503-02, ID 313503-03, ID 337041-01, ID 337041-02, ID 337041-03, ID 558308-01, ID 733428-01 |
Heidenhain руководство, скачать
Все рекомендации по программированию, запуску привода Heidenhain а также коды ошибок приведены в технической документации ниже в удобном формате (PDF) который можно скачать на свой компьютер, распечатать или просто открыть на нашем сайте.
Частотный регулируемый привод Heidenhain руководство в формате PDF.
|
Привод Heidenhain руководство по применению (manual) |
Привод Heidenhain, схема подключения
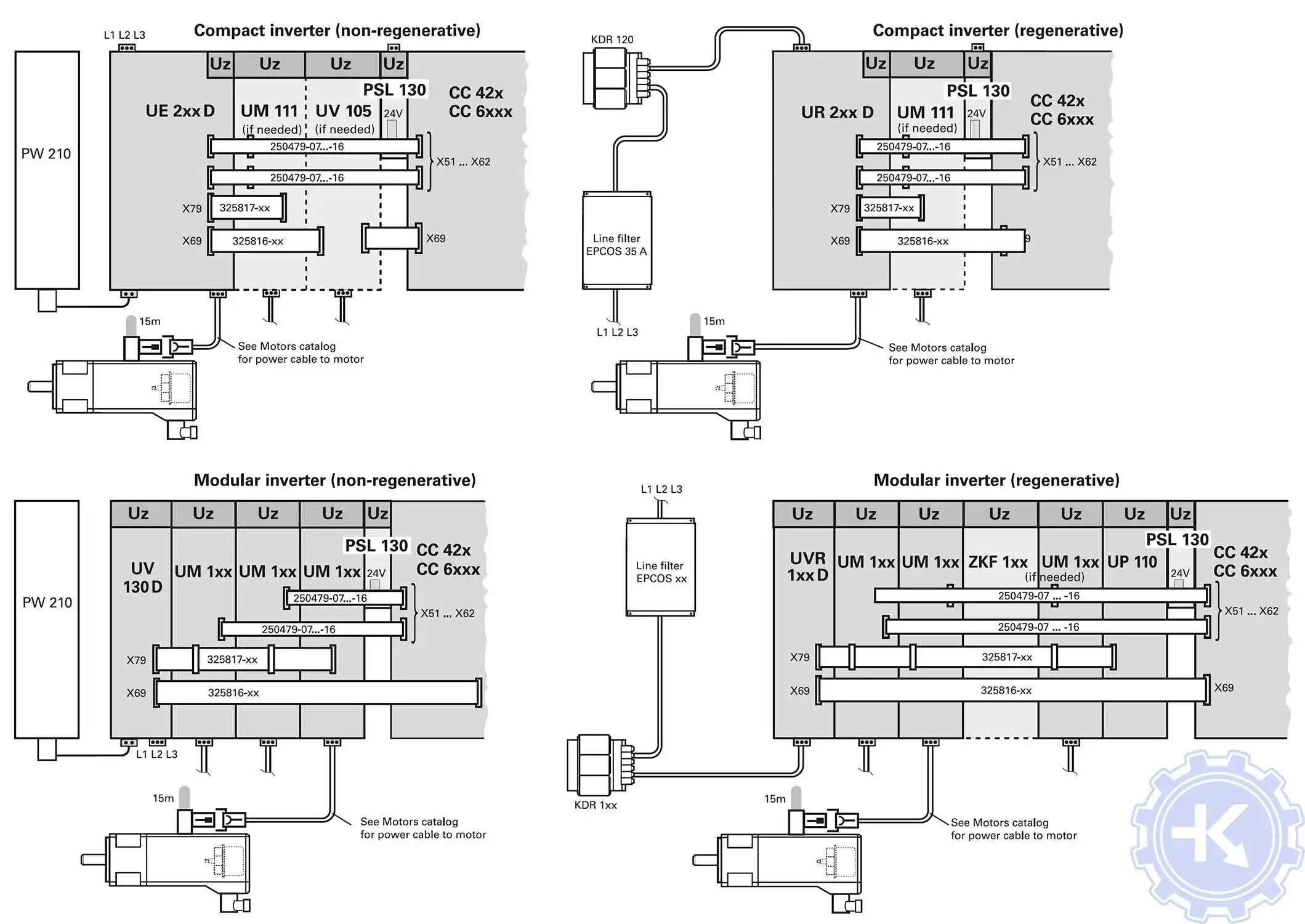
Схемы подключений приводов могут отличатся друг от друга даже если эти преобразователи относятся ко одной серии. Схема подключения регулируемых частотных приводов зависит от потребляемой приводом нагрузки, питающей сети к которой подключается частотник 200V – 380V, а также от оборудования с которым предполагается работа данного привода.
Ниже приведены схемы подключения приводов Heidenhain
|
В случае выхода из строя частотного регулируемого привода Heidenhain на вашем производстве либо при появлении проблемы с приводом, которые вы не можете решить самостоятельно, мы всегда рады вам помочь. Специалисты нашего сервисного центра в минимальные сроки проведут глубокую диагностику с последующим ремонтом привода Heidenhain. Оставьте заявку на ремонт промышленного оборудования, используя форму на сайте, либо свяжетесь с нашими менеджерами, сделать это очень просто.
Оставить заявку на ремонт привода Heidenhain
У вас остались вопросы, связанные с ремонтом частотного привода Heidenhain? Оставьте заявку на ремонт привода Heidenhain в Говларе нашим менеджерам. Связаться с ними можно несколькими способами:

- Заполнив форму заявки на ремонт (кнопка в правом верхнем углу сайта)
- Позвонив по номеру телефона:
- +7(8482) 79-78-54;
- +7(8482) 55-96-39;
- +7(917) 121-53-01
- Написав на электронную почту: 89171215301@mail.ru

Скачать PDF