Колумбус

РЕМОНТ ЧАСТОТНОГО ПРЕОБОРАЗОВАТЕЛЯ Panasonic Electric
НАСТРОЙКА И ПРОГРАММИРОВАНИЕ ЧАСТОТНОГО ПРЕОБРАЗОВАТЕЛЯ Panasonic Electric

в

МЕНЮ

Ошибки и ремонт частотных преобразователей Panasonic в

 

Ремонт частотных преобразователей Panasonic Electric

Ремонт частотных преобразователей Panasonic Electric

Ремонт частотного преобразователя Panasonic Electric, впрочем, как и ремонт частотников других производителей имеет ряд особенностей в силу своего конструктива. Частотные преобразователи, точнее их начинка делятся на две части:

  • Аппаратная часть,
  • Программная часть.

Частотники данного производителя не являются исключением из правил, именно поэтому ремонт частотного преобразователя Panasonic Electric имеет точно такой же ряд особенностей, как и у других преобразователей.

Диагностировать ту или иную неисправность помогают коды ошибок частотного преобразователя, которые отображаются на небольшом дисплее, расположенном на лицевой панели привода. Коды ошибок частотного преобразователя Panasonic в зависимости от серии описаны в инструкции, пользователя которые можно скачать с нашего сайта.

Ремонт частотных преобразователей Panasonic в , как и любых других преобразователей, выпущенных под другими брендами, всегда начинается с аппаратной части, после успешного ремонта аппаратной части наступает очередь программной.

Настройка частотного преобразователя Panasonic также прописана в инструкции завода производителя, для каждой серии частотных преобразователей настройка будет индивидуальной, так как каждая линейка преобразователей решает свои собственные задачи, этим обусловливается широкая номенклатура данного промышленного оборудования.

Ремонт частотных преобразователей Panasonic в сервисном центре

Ремонт частотных преобразователей Panasonic Electric

Компания «Кернел» производитремонт частотных преобразователей Panasonic в с 2002 года. За время существования компании наши сотрудники накопили колоссальный опыт в ремонте преобразователей частоты такого известного производителя как Panasonic Electric. Ремонт подобного промышленного оборудования ответственное и сложное занятие, требующие максимальной отдачи, профессионализма и максимально полной материальной базе.

Специалисты нашего сервисного центра максимальное внимание уделяют качеству исполнения ремонта, программирования и настройке промышленных преобразователей частоты, не зависимо от производителя данного промышленного оборудования. Именно поэтому мы смело даем гарантию на все выполненные работы шесть месяцев.

Ремонт частотных преобразователей Panasonic в производится исключительно с использованием оригинальных запасных частей, на компонентном уровне с применением высокотехнологичного диагностического оборудования, квалифицированным персоналом с инженерным образованием.

В случае выхода из строя преобразователя частоты на вашем производстве либо появились проблемы с приводом, которые вы не можете решить самостоятельно, мы всегда рады вам помочь. Специалисты нашего сервисного центра в минимальные сроки проведут глубокую диагностику с последующим ремонтом частотного преобразователя Panasonic Electric.

Инженеры сервисного центра выполняют качественный ремонт частотных преобразователей Panasonic Electric всех серий, когда-либо выпускаемых компанией.

Серия ПЧТипы частотных преобразователей Panasonic Electric
Panasonic VF-0 BFV00022DK; BFV00042GK; BFV00042DK; BFV00072GK; BFV00072DK; BFV00152GK; BFV00152DK; BFV00074; BFV00154; BFV00224; BFV00224;
Panasonic VF-CE BFVCE0022A; BFVCE0032A; BFVCE0072A; BFVCE0152A; BFVCE0222A; BFVCE0074A; BFVCE0074A; BFVCE0074A; BFVCE0074A
Panasonic VF-7E BFV70022E; BFV70042E; BFV70072E; BFV70074E; BFV70152E; BFV70154E; BFV70222E; BFV70224E; BFV70372E; BFV70374E; BFV70022EBP; BFV70022EP; BFV70042EBP; BFV70042EP; BFV70072EBP; BFV70072EP; BFV70074EP; BFV70152EBP; BFV70152EP; BFV70154EP; BFV70222EBP; BFV70222EP; BFV70224EP; BFV70372EP; BFV70374EP
Panasonic VF-7F BFV70022F; BFV70042F; BFV70072F; BFV70074F; BFV70152F; BFV70154F; BFV70222F; BFV70224F; BFV70372F; BFV70374F; BFV70022FBP; BFV70042FBP; BFV70072FBP; BFV70074FP; BFV70152FBP; BFV70154FP; BFV70222FBP; BFV70224FP; BFV70374FP
Panasonic VF-8X BFV80552X; BFV80554X; BFV80554XP; BFV80752X; BFV80754X; BFV80754XP; BFV81102X; BFV81104X; BFV81104XP; BFV81502X; BFV81504X; BFV81504XP; BFV81902X; BFV81904X; BFV81904XP; BFV82202X; BFV82204X; BFV82204XP; BFV83002X; BFV83004X; BFV83004XP; BFV83702X; BFV83704X; BFV83704XP
Panasonic VF-8Z BFV80554Z; BFV80754Z; BFV81104Z; BFV81504Z; BFV81904Z; BFV82204Z; BFV83004Z; BFV83704Z
Panasonic VF-200 AVF200-0022; AVF200-0022P; AVF200-0042; AVF200-0042P; AVF200-0072; AVF200-0072P; AVF200-0152; AVF200-0152P; AVF200-0222; AVF200-0222P; AVF200-0074; AVF200-0074P; AVF200-0154; AVF200-0154P; AVF200-0224; AVF200-0224P; AVF200-0374; AVF200-0374P; AVF200-0554; AVF200-0554P; AVF200-0754; AVF200-0754P; AVF200-1104; AVF200-1104P; AVF200-1504; AVF200-1504P
Panasonic DV-700T DV700T400A1; DV700T400B1; DV700T400C1; DV700T400D1; DV700T750A1; DV700T750B1; DV700T750C1; DV700T750D1; DV700T1500A1; DV700T1500B1; DV700T1500C1; DV700T1500D1; DV700T2200A1; DV700T2200B1; DV700T2200C1; DV700T2200D1

 

В данной таблице присутствуют далеко не все частотные преобразователи Panasonic ремонт которых предлагает наш сервисный центр.

Ошибки частотного преобразователя Panasonic Electric

Ремонт частотных преобразователей Panasonic Electric

В процессе работы выходит из строя даже самое надежное промышленное оборудование. Частотники в наше время, нашли широкое применение абсолютно во всех сферах промышленности, управляя как мини моторами в оргтехнике, так и гигантскими двигателями в горнодобывающей промышленности.

Для простоты общения со столь сложной электроникой все частотные преобразователи оснащены небольшими дисплеями с помощью которых выводятся информационные сообщения с кодами ошибок, расшифровав которые можно сразу же узнать причину ее возникновения. Если учесть распространенность данной промышленной электроники, то появляется острая нужда в расшифровке кодов ошибок частотных преобразователей. В этой статье мы рассмотрим одного из самых известных производителей промышленной электроники имеющему уважение во всем мире, Panasonic и серию приводов VF-0.

Существует несколько видов ошибок, некоторые из них можно устранить автоматически, а некоторые возможно исправить только, обратившись в специализированный сервисный центр. В руководстве пользователя прописаны все коды ошибок частотного преобразователя Panasonic Electric и их расшифровка.

Коды ошибок частотного преобразователя Panasonic VF-0

Код ошибкиОписаниеПричина
SC1
  • Instantaneous overcurrent during acceleration or abnormalheating of heat sink fins
  • Check for an output short-circuit or ground fault
  • Check the ambient temperature and fan operation
  • Increase the acceleration time
SC2
  • Instantaneous overcurrent during constant speed or abnormal heating of heat sink fins
  • Check for output short-circuit and ground fault
  • Check ambient temperature and fan operation
  • Eliminate excessive changes in load
SC3
  • Instantaneous overcurrent during deceleration or abnormal heating of heat sink fins
  • Check for output short-circuit and ground fault
  • Check ambient temperature and fan operation
  • Increase the deceleration time
OC1
  • Overcurrent during acceleration
  • Check for an open output phase
  • Increase the acceleration time
  • Adjust the torque boost level
OC2
  • Overcurrent during constant speed
  • Check for an open output phase
  • Eliminate excessive changes in load
OC3
  • Overcurrent during deceleration
  • Check for an open output phase
  • Increase the deceleration time
OU1
  • Excessive internal DC voltage during acceleration
  • Increase the acceleration time
OU2
  • Excessive internal DC voltage during constant speed
  • Eliminate excessive changes in load
OU3
  • Excessive internal DC voltage during deceleration
  • Increase the deceleration time
LU
  • Power supply voltage drops to less than 85% of rating
  • Measure the power supply voltage
  • Consider using the instantaneous power failure restart function
OL
  • An output current exceeding 125% of the electronic thermal setting current or 140% or more of the inverter rated current occurs for more than 1 minute
  • Check the electronic thermal setting current
  • Check and adjust the torque boost level
  • Reduce the load
AU
  • An auxiliary stop signal was input from control circuit terminal
  • Check the sequence circuit to confirm that the auxiliary stop signal is correct.
OP
  • The power was turned ON while the run signal was
  • The run signal was turned ON while setting data in the stopped mode, or the mode was returned to the operation mode with the MODE button
  • Check the power loss start mode (parameter P48)
  • Check the run signal when the data is being set
CPU
  • Excessive noise was applied on the inverter
  • Reduce the noise around the inverter

Полное описание ошибок, предупреждений и блокировок с рекомендациями по их устранению вы найдете в документации ниже.

Документация

Руководство по эксплуатации преобразователя частоты Panasonic VF-0

Скачать PDF

Руководство по эксплуатации преобразователей частоты Panasonic VF-7E, VF-7F, VF-8X, VF-8Z

Скачать PDF

Руководство по эксплуатации преобразователя частоты Panasonic VF-200

Скачать PDF

Руководство по эксплуатации преобразователя частоты Panasonic DV-700T

Скачать PDF

 

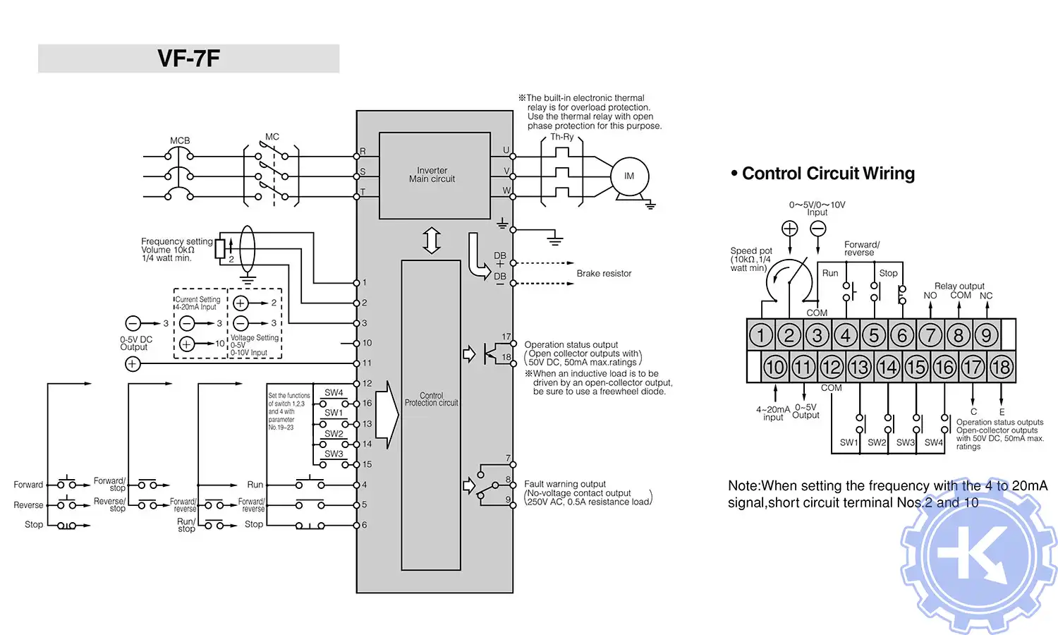
Схемы подключения частотных преобразователей Panasonic Electric

Схема электрических соединений Panasonic VF-7E, VF-8X, VF-8Z Схема электрических соединений Panasonic VF-7F

Схема электрических соединений Panasonic VF-7E, VF-8X, VF-8Z

Схема электрических соединений Panasonic VF-7F

 

Ремонт частотных преобразователей Panasonic Electric

Для максимально долгой и безаворийной работы частотных преобразователей важно неукоснительно соблюдать все, что прописано в документации.

Обязательно должны соблюдаться все рекомендации, изложенные в инструкции по монтажу и эксплуатации, в особенности требования по технике безопасности!

Преобразователь частоты разработан таким образом, что он пытается избежать аварийных отключений путем ограничения момента, перенапряжения и т.п.

Появление сбоев при вводе в эксплуатацию или вскоре после него обычно свидетельствует о неверной настройке или неправильном подключении.

Возникновение неисправностей или проблем после длительного режима бесперебойной работы обычно происходит по причине изменений в системе или ее окружении (например, в результате износа).

Дополнительную информацию по частотным преобразователям Panasonic можно посмотреть и скачать на офсайте.

Настройка частотного преобразователя Panasonic Electric, программирование

Ремонт частотных преобразователей Panasonic Electric

Настройка частотных преобразователей Panasonic (программирование) происходит в рамках установленных производителем правил, существует общий алгоритм по программированию (настройке частотных преобразователей), относящийся ко всем производителям данного промышленного оборудования. Ниже представлена пошаговая инструкция по настройке частотных преобразователей Panasonic Electric.

  • Выбор режима управления приводом Panasonic (управление по показанию датчиков, дистанционное управление, дистанционное управление).
  • В случае использования отдельного (выносного) монитора, настраивается вывод на него технической информации.
  • Далее определяем конфигурацию подключения серводвигателя. На данной стадии задаются такие параметры как- возможность применения обратной связи либо без ее применения, а в память блока заносятся данные по: величине крутящего момента, мощности потребителей, номинальное значения частоты, напряжение, ток и скорости вращения ротора.Ремонт частотных преобразователей Panasonic Electric
  • Программируется минимально допустимая величина напряжения и частоты, а также время ускорения ротора от ноля до номинального значения.
  • И в завершении, в программу управления частотным преобразователем Panasonic вносятся функциональные данные со значениями отдельных клемм и особенностями сигналов. Отмечаются действия оборудования, выполняющиеся автоматически при отсутствии информации поступающей в оперативном режиме с датчика.

В некоторых частотниках существует пункт наличия/отсутствия фильтра в цепи питания двигателя. Этот пункт отвечает за подключение различных видов нагрузок, в том случае, когда возможно выбрать нормальное или инверсное изменение частоты при повышении уровня сигнала обратной связи.

Все настройки частотных преобразователей Panasonic Electric приведены в технической документации к частотному преобразователю который можно скачать на свой компьютер, распечатать или просто открыть как на нашем так и на официальном сайте Panasonic Electric.

Оставить заявку на ремонт частотных преобразователей Panasonic Electric

У вас вышел из строя частотник? Вам необходим срочный ремонт частотных преобразователей Panasonic в ? Оставьте заявку на ремонт нажав на одноименную кнопку в верхней правой части экрана либо свяжитесь с нашими менеджерами. Связаться с ними можно несколькими способами:

Наши контакты

  • Заполнив форму заявки на ремонт (кнопка в правом верхнем углу сайта)
  • Позвонив по номеру телефона:
    • +7(8482) 79-78-54;
    • +7(8482) 55-96-39;
    • +7(917) 121-53-01
  • Написав на электронную почту: 89171215301@mail.ru

Далеко не полный список производителей промышленной электроники и оборудования, ремонтируемой в нашей компании.

Похожие статьи