Промышленный контроллер, подключение и программирование в

Виды и классификация промышленных контроллеров

Ремонт промышленного контроллера Schneider M258На сегодняшний день существует поистине огромный выбор промышленных контроллер, и чтобы не запутаться давайте попробуем их классифицировать. В первую очередь ПЛК можно разбить на группы по количеству каналов ввода-вывода – это:

  • Нано контроллеры, имеющие менее 16 каналов ввода-вывода;
  • Мини контроллеры имеют до 100 каналов ввода-вывода;
  • Средние контроллеры имеют уже до 500 каналов;
  • Гиганты являются рекордсменами обладая более чем 500 каналами ввода-вывода.

Промышленные ПЛК можно разбить на виды по расположению модулей ввода-вывода.

  • Моноблочные- модуль ввода-вывода и контроллер являются единым целым;
  • Модульные- собираются в корзину сменными модулями в зависимости от задачи;
  • Распределительные- имеют разные корпуса и соединяются контроллером по сети.

Ремонт промышленного контроллера Mitsubishi ALFA XLДля увеличения общего количества каналов типы контроллеров могут комбинироваться, скажем модульный или моноблочный ПЛК можно дополнить удаленным модулем ввода-вывода сри помощи интерфейса RS-485.

В зависимости от конструктивных особенностей, а также способу их крепления промышленные контроллеры можно разделить на:

  • Панельные ПЛК;
  • Монтажные ПЛК;
  • Настенные ПЛК;
  • Стоечные ПЛК;
  • Бескаркасные ПЛК.

Область применения промышленных контроллеров также можно классифицировать на:

  • Универсальные;
  • Робототехника;
  • Перемещение и позиционирование;
  • Коммуникационные;
  • Специализированные;
  • ПИД – ПЛК.

Ремонт промышленного контроллера Mitsubishi R64MT

И последние два вида классификации это язык программирования промышленных контроллеров и способ программирования.

  • Алгоритмические языки- Basic, C#, C++, C.
  • Машинный язык программирования МЭК 61131-3.

Классифицировать по способу программирования контроллеров можно так:

  • Контроллер программируемый с лицевой стороны;
  • Контроллер программируемый специальным программатором;
  • Контроллер программируемый с помощью клавиатуры, мыши и дисплея;
  • Контроллер программируемый с помощью переносного ПК.

На этом виды и классификация промышленных контроллеров заканчивается.

Неисправности и ошибки ПЛК

К сожалению, по незнанию основных принципов работы ПЛК одна из самых распространенных ошибок на оборудовании – Ремонт промышленного контроллера Siemens S7-200это подсевшие аккумуляторные батареи, при отключенном питании на ПЛК приводящие к удалению или потере данных находящихся в памяти контроллера. В случае если у заказчика отсутствует копия проекта программы, то придется производить работы по написанию, программированию и отладке программы на оборудовании заказчика, это достаточно долгий процесс, занимающий от 2-ух до 3-ех месяцев.

Отсутствие связи между контроллером ПЛК и панели оператора также является достаточно распространенной ошибкой, которая может быть устранена только в сервисном центре, в лабораторных условиях и в авральном режиме займет от 1 до 2 дней. В процессе ремонта восстанавливается потерянная связь между ПЛК и панелью оператора.

Ошибка питания контроллера, как и ошибка входов требует ремонт ПЛК в сервисном центре, подобные ошибки на территории заказчика исправить не удастся.

Скачать коды ошибок ПЛК Siemens S7-200

Схема подключения контроллера

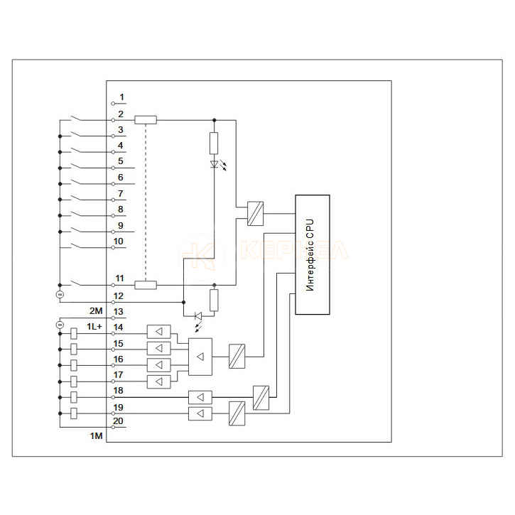
Схема контроллера зависит от производителя и типа, сколько существует ПЛК столько же и схем, вот лишь несколько схем ПЛК на примере контроллера Siemens S7-300.

CPU 312C: Назначение встроенных DI/DO

Принципиальная схема встроенной цифровой периферии CPU 312C

CPU 312C: Назначение встроенных DI/DO Принципиальная схема встроенной цифровой периферии CPU 312C

CPU 313C/313C-2/314C-2: назначение встроенных цифровых входов и выходов

Принципиальная схема встроенной цифровой периферии CPU 313C/313C-2/ 314C-2

CPU 313C/313C-2/314C-2: назначение встроенных цифровых входов и выходов Принципиальная схема встроенной цифровой периферии CPU 313C/313C-2/ 314C-2

Параметрирование, программирование контроллера

Возможны два варианта программирования контроллеров.

  1. С выездом на производственную площадку заказчика;
  2. Программирование ПЛК в сервисном центре.

Ремонт промышленного контроллера Siemens S5-91UВ каждом ПЛК установлена программа управления промышленным оборудованием, к примеру станком или роботом. Контроллер программируется на заводе изготовителе при покупке станка, линии. В некоторых случаях покупается оборудование с ПЛК без установленного программного обеспечения (ПО). После покупки данного оборудования потребуется квалифицированные специалисты для запуска данного промышленного оборудования.

Для запуска оборудования с контроллером ПЛК потребуется выполнить следующие работы:

  • Разработка проекта программы контроллера;
  • Написание программы контроллера;
  • Запись программы в ПЛК;
  • Пуско-наладка контроллера на оборудовании.

При возникновении сбоев на оборудовании может потребоваться редактирование или изменение проекта программы контроллера с записью измененного проекта в ПЛК.

Производители промышленных контроллеров

С момента своего появления ПЛК прочно заняли свое место во всех промышленных отраслях благодаря простоте и способности продолжительно и безаварийно работать в самых агрессивных средах. А как говорится спрос рождает предложение, промышленные контроллеры на сегодняшний день не делает только ленивый. Вот список самых известных производителей ПЛК в России.

Производители ПЛК

  • Advantech;
  • Delta;
  • Bocsh Rexroth;
  • Lenze;
  • Pilz;
  • Jetter;
  • Mitsubishi;
  • Omron;
  • Siemens;
  • Hitachi;
  • Агава;
  • Овен.

Список далеко не полный, продолжать можно еще достаточно долго. Российский производитель также широко представлен на рынке промышленных контроллеров.

Диагностика, ремонт и программирование ПЛК в сервисном центре

Компания «Кернел» производит ремонт промышленной электроники и оборудования в с 2002 года. За это время мы накопили колоссальный опыт в том числе опыт в ремонте промышленных контроллеров.

Логотип компании 'Кернел'Специалисты нашей компании произведут диагностику с выездом на территорию заказчика. С помощью программатора, подключаемого к ПЛК мы определим код ошибки, а последующая ее расшифровка поможет точно определить неисправный блок или узел на оборудовании.

На ровне с выездной диагностикой ПЛК мы также предлагаем услуги по диагностике в сервисном. В случае если точно известен нерабочий блок производится внутри-блочная поэлементная диагностика. После определения неисправного элемента производится замена на аналогичный, и обязательная проверка на специализированном стенде.

Специалисты нашего сервисного центра уделяют максимальное внимание к качеству исполнения ремонта промышленного оборудования. Именно поэтому мы смело даем гарантию на все выполненные работы шесть месяцев.

Ремонт промышленных контроллеров в производится исключительно с использованием оригинальных запасных частей, на компонентном уровне с применением высокотехнологичного оборудования, квалифицированным персоналом с инженерным образованием.

Если на вашем производстве вышел из строя ПЛК, обращайтесь в сервисный центр «Кернел». Специалисты нашей компании в минимальные сроки проведут глубокую диагностику и последующий ремонт промышленного контроллера в .

Как с нами связаться

Если вы заинтересованы в ремонте ПЛК в , оставьте заявку на ремонт с помощью специальной формы на сайте, либо связавшись с нашими менеджерами несколькими способами:

Наши контакты

  • Заполнив форму заявки на ремонт (кнопка в правом верхнем углу сайта)
  • Позвонив по номеру телефона:
    • +7(8482) 79-78-54;
    • +7(8482) 55-96-39;
    • +7(917) 121-53-01
  • Написав на электронную почту: 89171215301@mail.ru

Похожие статьи