Ошибки и ремонт сервоусилителя Mitsubishi в Луганске
Ремонт сервоусилителя Mitsubishi
Сервисный центр «Кернел» предлагает выполнить качественный ремонт сервоусилителя Mitsubishi в Луганске на компонентном уровне в максимально сжатые сроки. Сервоусилители относятся к сложной промышленной электронике именно поэтому ремонтом сервоусилителей Mitsubishi, впрочем, как и других производителей должны заниматься специалисты, имеющие не только высшее техническое образование, но и солидный опыт в ремонте подобной промышленной электроники.
Также для восстановления подобного промышленного оборудования понадобится хорошая материально-техническая база. При выполнении всех выше перечисленных условий, шансы на успешный ремонт сервоусилителя Mitsubishi возрастают в геометрической прогрессии.
Именно поэтому за ремонтом сервоусилителей, независимо от производителя лучше всего обращаться в специализированный сервисный центр, который отвечает всем техническим требованиям, такой как Кернел. Наш цент имеет отличную материально-техническую базу, а за время существования с 2002 года специалисты компании накопили бесценный опыт в том числе опыт в ремонте сервоусилителей Mitsubishi.
Особенности ремонта сервоусилителя Mitsubishi
Ремонт сервоусилителей Mitsubishi имеет ряд индивидуальных особенностей, это связано с конструктивными особенностями данного промышленного оборудования. По аналогии с частотными преобразователями они состоят из двух взаимосвязанных частей, это:
- Аппаратная часть;
- Программная часть.
В первую очередь ремонтируется аппаратная часть промышленного сервоусилителя. После глубокой диагностики неисправного блока выявляются все неисправные компоненты, которые в последствии заменяются на оригинальные запасные части (по возможности), в случае если сервопривод уже давно снят с производства и найти оригинальные запчасти просто невозможно они заменяются на аналоги.
Данный вид ремонта называется компонентным. От других видов его отличает две немаловажные детали.
- Значительное удешевление ремонта;
- Существенное сокращение времени ремонта.
По завершении ремонта аппаратной части сервоусилителя наступает очередь программной. В зависимости от серии выбирается программный продукт и зашивается в блок.
Заключительный этап ремонта сервоусилителя Mitsubishi это проверка на специализированном стенде. Все блоки проверяются без нагрузки и с нагрузкой не менее двух часов.
Коды предупреждений и ошибок сервоусилителя Mitsubishi
При обнаружении неисправности при работе сервоусилителя будет активирована соответствующая защита и выведено предупреждающее сообщение на индикатор сервоусилителя или цифрового пульта.
Коды аварийной сигнализации выводятся при возникновении соответствующей сигнализации. При нормальной работе (отсутствие неполадок) через контакты CN1-10, CN1-11 и CN1-12 выводятся стандартные сигналы состояния (к примеру частота или направление вращения). При возникновении аварийной сигнализации, установите сигнал состояния «Серво выкл.» и прервите питание силового контура.
Коды неисправностей и предупреждений сервоусилителя Mitsubishi MR-E приведены в файле PDF который доступен по ссылке ниже. Дополнительно в файле указаны способы устранения неисправностей и их сброс.
Посмотреть все коды ошибок сервоусилителя Mitsubishi MR-E
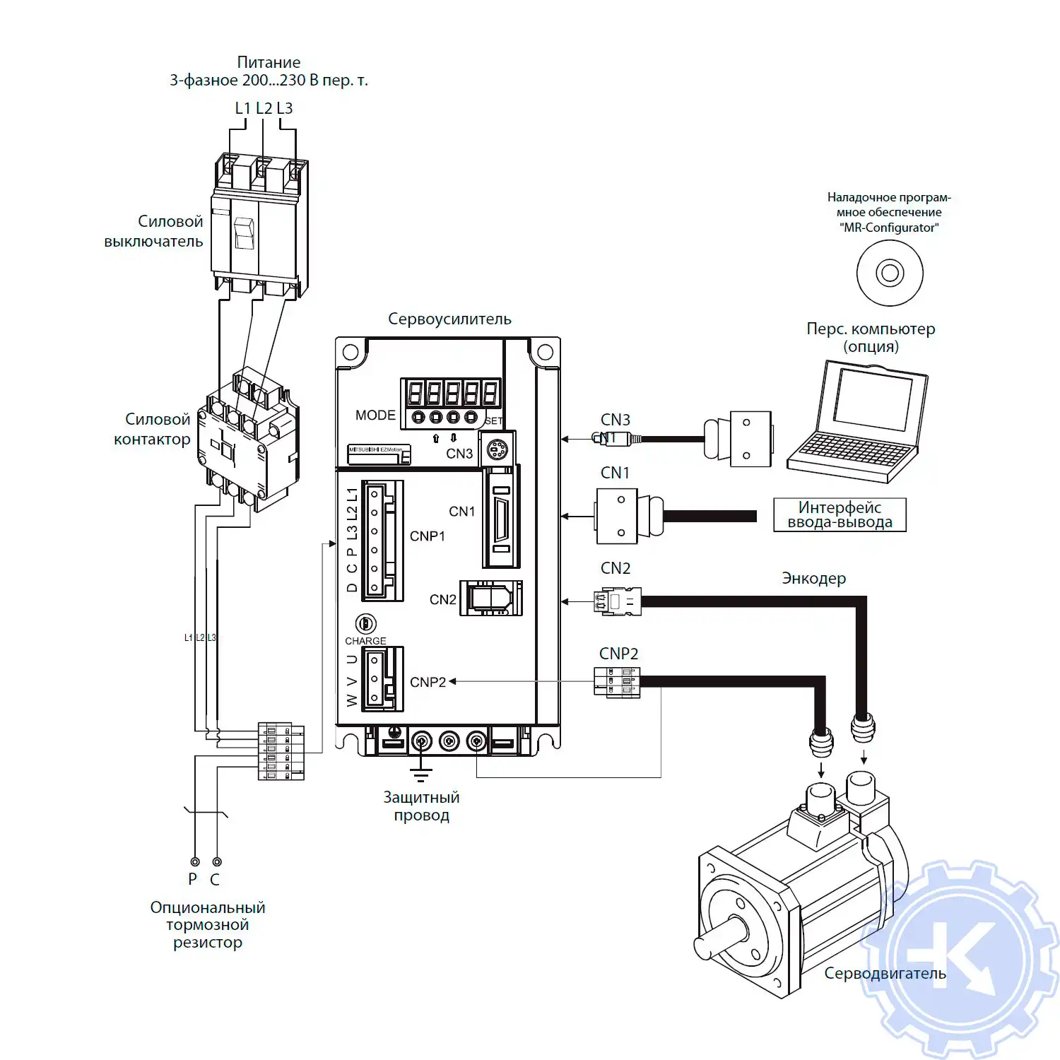
Схемы
В некоторых случает может понадобится схема подключения сервоусилителей, ниже мы показаны схемы сервоусилителя Mitsubishi.
Базовые схемы конфигурации сервоусилителей Mitsubishi
|
Конфигурация системы MR-E-100AG-QW003 |
Конфигурация системы MR-E-200AG-QW003 |
|
|
Схемы типовых подключений сервоусилителей Mitsubishi
|
Сервопривод Mitsubishi Схема регулировки частоты вращения |
Сервопривод Mitsubishi Схема регулировки крутящего момента |
|
|
Блок схема сервоусилителя Mitsubishi
|
Mitsubishi MR-E-Super с аналоговым входом |
|
Преимущество ремонта сервоусилителя Mitsubishi в нашем сервисном центре
Во время эксплуатации электроприводов Mitsubishi может возникнуть проблема, далеко не всегда возникшую проблему можно исправить на месте своими силами, наш сервисный центр готов вам в этом помочь, выполнив качественный ремонт сервоусилителей Mitsubishi в сжатые сроки с полугодовой гарантией.
Мы не только восстановим неисправный блок, но и подскажем как действовать в той или иной ситуации для максимально долгой и безаварийной работы сервоусилителя.
Работы, проводимые при ремонте сервоусилителя Mitsubishi в Луганске:

- Предварительный осмотр на возможность восстановления бесплатный;
- Мы производим ремонт сервоусилителя Mitsubishi на компонентном уровне (экономия бюджета и времени)
- При ремонте сервоусилителей ни каких конструктивных изменений не вносим;
- Ремонт блоков с применением оригинальных запасных частей (по возможности).
- Вы платите исключительно за результат - работающий сервопривод;
- Гарантия на ремонт сервоусилителя Mitsubishi и на запасные части замененные в процессе ремонта 6 месяцев;
- Сроки ремонта варьируются от 5 до 15 рабочих дней;
За два десятилетия существования сервисного центра нашими специалистами были успешно проведены тысячи подобных ремонтов с каждым разом поднимая квалификацию наших инженеров. Ниже представлен далеко не полный список сервоусилителей Mitsubishi серии MR-E ремонтируемые в нашем сервисном центре.
|
MR-E Super Сервоусилитель 1(3) x 200-230В/50-60Гц (управление импульсной последовательностью) |
|
|
MR-E-10A-QW003 |
Ремонт сервоусилителя MR-E-A для двигателей до 100 Вт |
|
MR-E-20A-QW003 |
Ремонт сервоусилителя MR-E-A для двигателей до 200 Вт |
|
MR-E-40A-QW003 |
Ремонт сервоусилителя MR-E-A для двигателей до 400 Вт |
|
MR-E-70A-QW003 |
Ремонт сервоусилителя MR-E-A для двигателей до 750 Вт |
|
MR-E Super Сервоусилитель 3 x 200-230В/50-60Гц (управление импульсной последовательностью) |
|
|
MR-E-100A-QW003 |
Ремонт сервоусилителя MR-E-A для двигателей до 1кВт |
|
MR-E-200A-QW003 |
Ремонт сервоусилителя MR-E-A для двигателей до 2кВт |
|
MR-E Super Сервоусилитель 1(3) x 200-230В/50-60Гц (управление аналоговым сигналом) |
|
|
MR-E-10AG-QW003 |
Ремонт сервоусилителя MR-E-AG для двигателей до 100 Вт |
|
MR-E-20AG-QW003 |
Ремонт сервоусилителя MR-E-AG для двигателей до 200 Вт |
|
MR-E-40AG-QW003 |
Ремонт сервоусилителя MR-E-AG для двигателей до 400 Вт |
|
MR-E-70AG-QW003 |
Ремонт сервоусилителя MR-E-AG для двигателей до 750 Вт |
|
MR-E Super Сервоусилитель 3 x 200-230В/50-60Гц (управление аналоговым сигналом) |
|
|
MR-E-100AG-QW003 |
Ремонт сервоусилителя MR-E-AG для двигателей до 1кВт |
|
MR-E-200AG-QW003 |
Ремонт сервоусилителя MR-E-AG для двигателей до 2кВт |
В таблице представлены исключительно сервоусилители Mitsubishi серии MR-E ремонт которых мы вам предлагаем, также специалисты нашей компании ремонтируют сервоусилители не зависимо от серии и под каким брендом они были выпущены.
Оставить заявку на ремонт сервоусилителя Mitsubishi
У вас остались вопросы, связанные с ремонтом или сбросом ошибок, а также программированием и настройкой сервоусилителей Mitsubishi? Оставьте заявку на ремонт сервоусилителя Mitsubishi в Луганске нашим менеджерам. Связаться с ними можно несколькими способами:

- Заполнив форму заявки на ремонт (кнопка в правом верхнем углу сайта)
- Позвонив по номеру телефона:
- +7(8482) 79-78-54;
- +7(8482) 55-96-39;
- +7(917) 121-53-01
- Написав на электронную почту: 89171215301@mail.ru





