Ошибки и ремонт сервопривода DUPLOMATIC в Луганске
Ремонт сервопривода DUPLOMATIC

Сервисный центр «Кернел» предлагает выполнить качественный ремонт сервопривода DUPLOMATIC в Луганске на компонентном уровне в максимально сжатые сроки. Сервопривод относятся к сложной промышленной электронике именно поэтому ремонтом сервоприводов DUPLOMATIC, впрочем, как и других производителей должны заниматься специалисты, имеющие не только высшее техническое образование, но и солидный опыт в ремонте подобной промышленной электроники.
Также для восстановления подобного промышленного оборудования понадобится хорошая материально-техническая база. При выполнении всех выше перечисленных условий, шансы на успешный ремонт сервопривода DUPLOMATIC возрастают в геометрической прогрессии.
Именно поэтому за ремонтом сервоприводов, независимо от производителя лучше всего обращаться в специализированный сервисный центр, который отвечает всем техническим требованиям, такой как Кернел. Наш цент имеет отличную материально-техническую базу, а за время существования с 2002 года специалисты компании накопили бесценный опыт в том числе опыт в ремонте сервоприводов DUPLOMATIC.
Особенности ремонта сервопривода DUPLOMATIC

Ремонт сервопривода DUPLOMATIC имеет ряд индивидуальных особенностей, это связано с конструктивными особенностями данного промышленного оборудования. По аналогии с частотными преобразователями они состоят из двух взаимосвязанных частей, это:
- Аппаратная часть;
- Программная часть.
В первую очередь ремонтируется аппаратная часть промышленного сервопривода. После глубокой диагностики неисправного блока выявляются все неисправные компоненты, которые в последствии заменяются на оригинальные запасные части (по возможности), в случае если сервопривод уже давно снят с производства и найти оригинальные запчасти просто невозможно они заменяются на аналоги.
Данный вид ремонта называется компонентным. От других видов его отличает две немаловажные детали.
- Значительное удешевление ремонта;
- Существенное сокращение времени ремонта.
По завершении ремонта аппаратной части сервопривода наступает очередь программной. В зависимости от серии выбирается программный продукт и зашивается в блок.
Заключительный этап ремонта сервопривода DUPLOMATIC в Луганске это проверка на специализированном стенде. Все блоки проверяются без нагрузки и с нагрузкой не менее двух часов.
Ошибки сервопривода DUPLOMATIC
Сервоприводы DUPLOMATIC широко используются в различных отраслях благодаря своей надежности и точности. Однако, как и у любого сложного оборудования, у них могут возникать ошибки, которые требуют внимания и правильного устранения. В этой статье мы рассмотрим основные коды ошибок сервоприводов DUPLOMATIC, их расшифровку и методы устранения.
Сервоприводы DUPLOMATIC известны своей высокой производительностью и долговечностью. Они применяются в автоматизированных системах, робототехнике и других областях, где требуется точное управление движением. Но даже самые надежные устройства могут иногда выдавать ошибки, которые необходимо диагностировать и устранять для поддержания бесперебойной работы.
Расширенное описание аварийных сигналов, поиск неисправностей
В случае возникновения аварийной ситуации на сигналах ALBITxx сигналы ALPOSxx выдают код подгруппы для более точной идентификации причины проблемы.Плата ввода/вывода оснащена светодиодами для отображения состояния каждого выхода.
| Код ошибки | Расшифровка и устранение |
|---|---|
| 1.0 |
Fault in resolver supply:
If, after the short removal, the alarm persist, replace the controller. |
| 1.1 |
Fault in three phase supply when the motor is enabled:
If the voltage is OK and the alarm persist, replace the controller. |
| 1.2, 1.3, 1.4, 1.6 |
Fault on internal auxiliary supply. If the alarm persist, replace the controller |
| 1.5 |
Fault on internal 24 V supply to switches:
If the alarm persist, replace the controller |
| 2.0 |
Overvoltage on three-phase line:
If the alarm persist, replace the controller |
| 2.1 |
Overvoltage reached during dynamic braking:
If the alarm persist, replace the controller. |
| 3.0 |
Motor Overcurrent.
To avoid thermal overload on power bridge due to repeated alarms, it is necessary to switch off the controller to clear the alarm. |
| 3.1 |
Motor Overload.
|
| 3.2 |
Position controller error exceeds limits:
|
| 3.3 |
The time limit to execute the cycle has been reached:
|
| 3.4 |
The reference cam is out of the expected position (after the reference cycle have been performed)
|
| 3.5 |
The thermal detector of the motor :
|
| 3.6 |
Resolver fault.
|
| 3.7 | Ambient temperature on controller side too high. |
| 3.8 | Heatsink temperature too high. |
| 3.11 |
General cycle timeout. A problem not covered by other alarms has occurred. |
| 4.0 |
The signal of the locking switch stays on during the unlocking phase:
|
| 4.1 |
The signal of the unlocking switch stays off during the unlocking phase:
|
| 4.2 |
The signal of the unlocking switch goes off while the turret is unlocked:
|
| 4.3 |
The signal of the locking switch goes on while the turret is unlocked:
|
| 4.5 |
The two pressure inlet or the LOCKED and UNLOCKED switches are reversed. No pressure, the clamping mechanism does not move at all. |
| 5.0 |
The signal of the unlocking switch stays on during the locking phase:
|
| 5.1 |
The signal of the locking switch stays off during the locking phase:
|
| 5.2 |
The signal of the locking switch goes off while the turret is locked:
|
| 5.3 |
The signal of the unlocking switch goes on while the turret is locked:
|
| 5.5 |
The two pressure inlet or the LOCKED and UNLOCKED switches are reversed. No pressure at all. |
| 6.0 |
Time-out in reference search:
|
| 6.1 |
Time-out in fine reference search:
|
| 7.0 |
A tool is called before executing the zero cycle:
|
| 7.1 |
Parity Error in position code:
|
| 7.2 |
A tool non existing has been called:
|
| 7.3 |
A variation in position code has been detected but the PSTART signal is not arrived in within 5 seconds:
|
| 7.4 |
The time limit of continuos rotation of disc has been reached:
|
| 7.8 or 7.7 |
The configuration input signals PTAB01 and PTAB02 are not configured (number of positions):
|
| 7.11, 7.12, 7.13, 7.14, 7.15 |
One of the Internal memory tests failed. If the alarm persist after a switch-off/switch on, replace the controller. |
Кодовый номер запоминается блоком управления и может быть считан с помощью диагностического программного обеспечения Duplomatic DDC4SW*.EXE, установленной на ПК с интерфейсом RS232.
Ошибки сервоприводов DUPLOMATIC могут возникать по разным причинам, от проблем с питанием до механических неисправностей. Важно своевременно диагностировать и устранять эти ошибки для обеспечения надежной и продолжительной работы оборудования. Сервисный центр “Кернел” предлагает профессиональные услуги по диагностике и ремонту сервоприводов DUPLOMATIC, помогая клиентам избежать простоев и поддерживать высокую производительность своих систем.
Если вы столкнулись с какой-либо из перечисленных ошибок или нуждаетесь в консультации, наши специалисты всегда готовы помочь. Свяжитесь с нами для получения квалифицированной поддержки и обслуживания.
Все коды ошибок сервоприводов DUPLOMATIC представлены в руководствах пользователя (manual), скачать файлы можно по ссылкам ниже.
|
Сервопривод DUPLOMATIC DDC112H мануал |
|
|
Сервопривод DUPLOMATIC DC4-15-400/20 мануал |
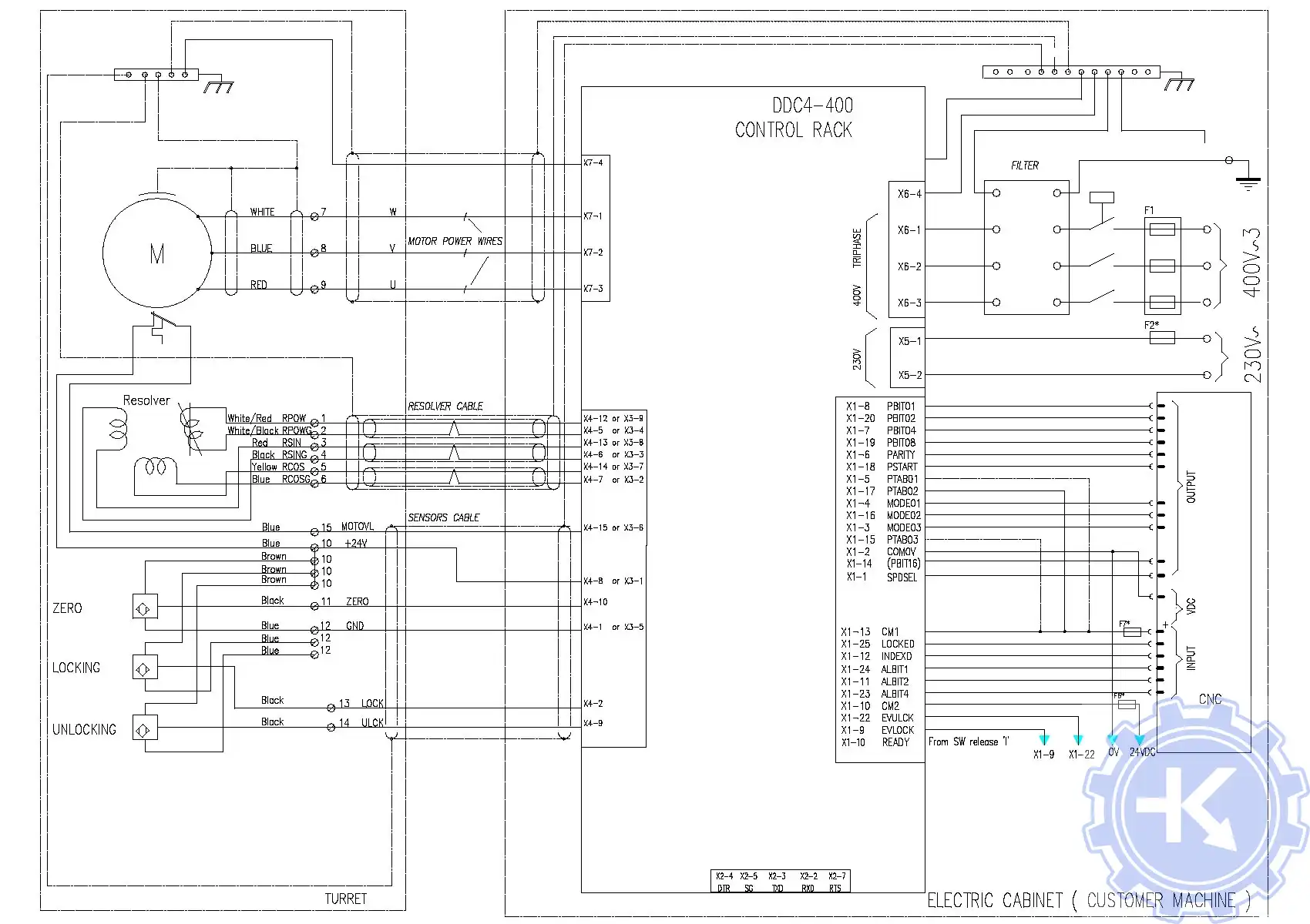
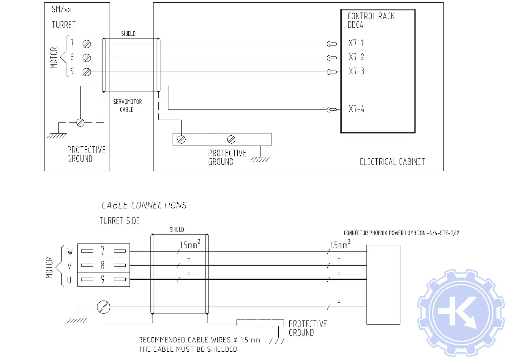
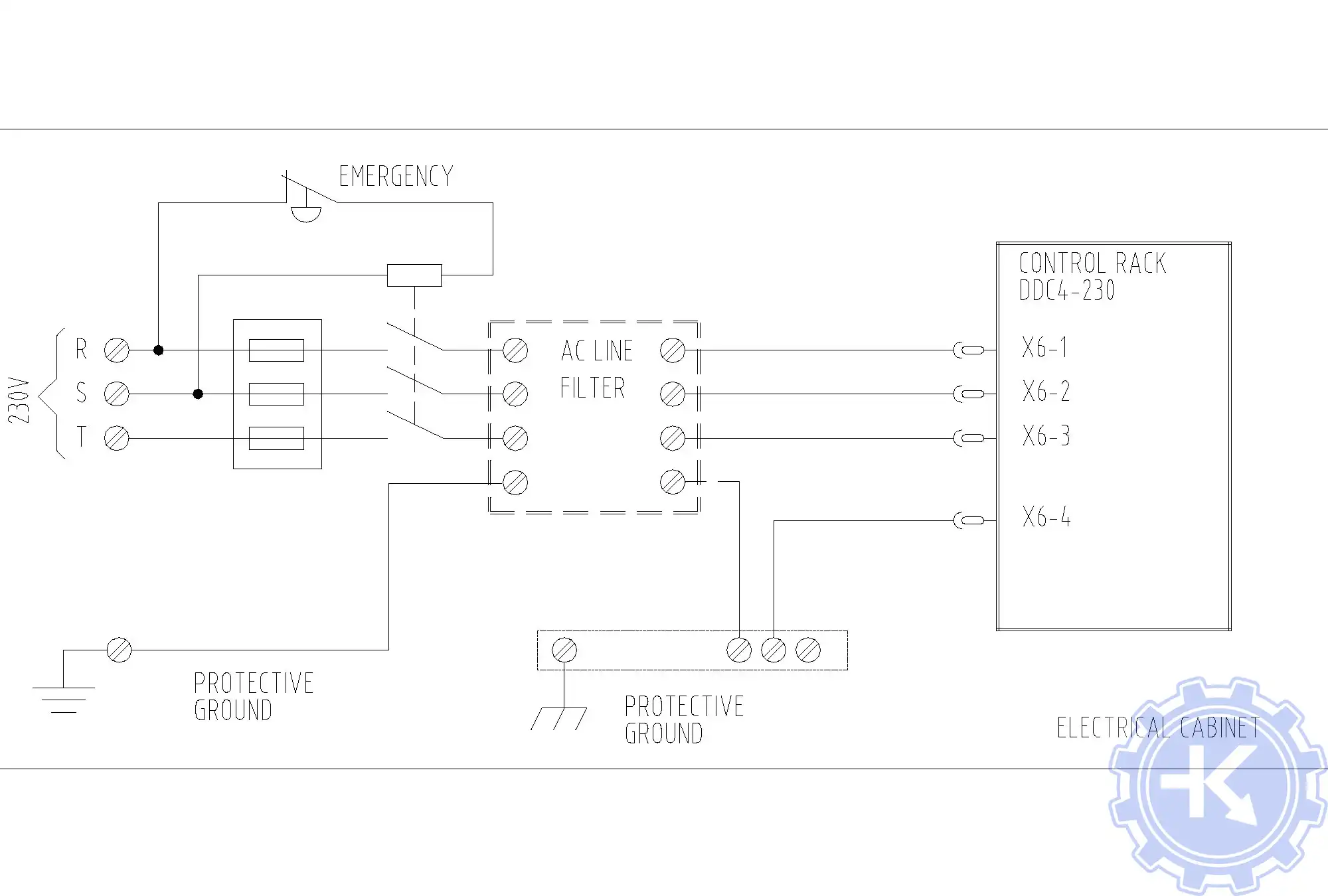
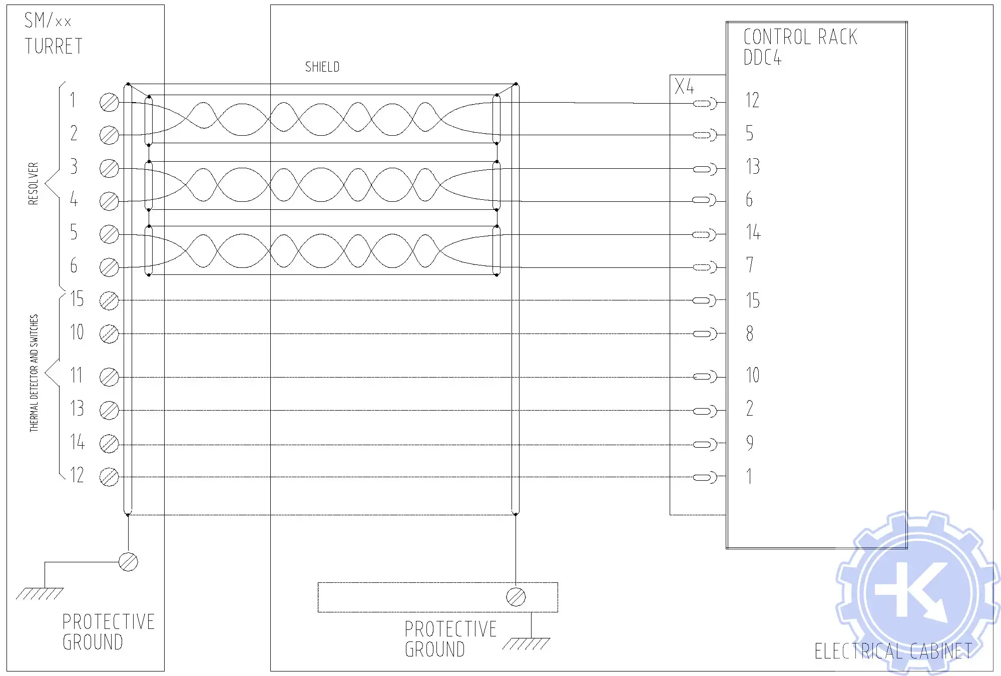
Схемы
Схемы типовых подключений сервоприводов DUPLOMATIC
В некоторых случает может понадобится схема подключения сервоприводов, ниже мы показаны схемы сервопривода DUPLOMATIC DC4-15-400/20
Преимущество ремонта сервоприводов DUPLOMATIC в нашем сервисном центре

Во время эксплуатации электроприводов DUPLOMATIC может возникнуть проблема, далеко не всегда возникшую проблему можно исправить на месте своими силами, наш сервисный центр готов вам в этом помочь, выполнив качественный ремонт сервоприводов DUPLOMATIC в сжатые сроки с полугодовой гарантией.
Мы не только восстановим неисправный блок, но и подскажем как действовать в той или иной ситуации для максимально долгой и безаварийной работы сервопривода.
Работы, проводимые при ремонте сервопривода DUPLOMATIC в Луганске:
- Предварительный осмотр на возможность восстановления бесплатный;
- Мы производим ремонт сервопривода DUPLOMATIC на компонентном уровне (экономия бюджета и времени)
- При ремонте сервоприводов ни каких конструктивных изменений не вносим;
- Ремонт блоков с применением оригинальных запасных частей (по возможности).
- Вы платите исключительно за результат - работающий сервопривод;
- Гарантия на ремонт сервопривода DUPLOMATIC и на запасные части замененные в процессе ремонта 6 месяцев;
- Сроки ремонта варьируются от 5 до 15 рабочих дней;
За два десятилетия существования сервисного центра нашими специалистами были успешно проведены множество подобных ремонтов с каждым разом поднимая квалификацию наших инженеров. Ниже представлен далеко не полный список сервоприводов DUPLOMATIC ремонтируемые в нашем сервисном центре.
| Производитель | Тип сервопривода |
|---|---|
| DUPLOMATIC | TMC-14-230-12-25-9.0/11; TMC-14-400-12-25-9.0/11; TMC-14-400-12-16-3.0/11; DDC4-30-230/20; DDC4-10-400/20; DC4-15-400/20 |
Сервоприводы DUPLOMATIC: Надежное управление движением в промышленных системах

Современное производство требует высокого уровня автоматизации и точности, что невозможно достичь без использования надежных компонентов. Одним из ключевых элементов таких систем являются сервоприводы, обеспечивающие точное управление движением механизмов. Компания DUPLOMATIC зарекомендовала себя как производитель высококачественной продукции, способной удовлетворить самые строгие требования промышленных предприятий. Давайте подробнее рассмотрим, что представляют собой сервоприводы DUPLOMATIC и почему они заслужили доверие среди профессионалов.
Что такое сервоприводы DUPLOMATIC?
Сервоприводы DUPLOMATIC — это высокотехнологичные устройства, предназначенные для точного регулирования скорости, положения и момента вращения в приводных системах. Основой их работы является сочетание электродвигателя, датчиков обратной связи и блока управления, который обрабатывает данные и управляет двигателем в режиме реального времени. Такой подход позволяет добиться высочайшего уровня точности и надежности в управлении механизмами.
Преимущества сервоприводов DUPLOMATIC
Главным преимуществом сервоприводов DUPLOMATIC является их исключительная точность. Благодаря современным технологиям и высокоточному оборудованию, эти приводы способны поддерживать заданные параметры движения с минимальным отклонением. Это особенно важно в таких областях, как машиностроение, упаковка и обработка материалов, где малейшие неточности могут привести к значительным потерям.
Кроме того, сервоприводы DUPLOMATIC обладают высокой устойчивостью к различным воздействиям внешней среды. Они разработаны таким образом, чтобы выдерживать высокие температурные колебания, вибрации и другие неблагоприятные условия, характерные для промышленного производства. Это делает их идеальным выбором для тяжелых режимов эксплуатации.
Где применяются сервоприводы DUPLOMATIC?
Сервоприводы DUPLOMATIC нашли свое применение в широком спектре отраслей. В частности, они часто используются в автоматизированных производственных линиях, где требуется высокая степень синхронизации и точности. Примеры включают в себя:

- Машиностроительные заводы, где сервоприводы управляют станками с ЧПУ, обеспечивая высокое качество обработки деталей.
- Упаковочные линии, где приводы отвечают за точную укладку и перемещение продукции.
- Роботизированные комплексы, использующие сервоприводы для выполнения сложных манипуляций.
Поддержка и обслуживание
Компания DUPLOMATIC предлагает своим клиентам не только качественную продукцию, но и высокий уровень сервиса. Сервисный центр "Кернел" специализируется на обслуживании и ремонте сервоприводов DUPLOMATIC, предоставляя комплексные услуги по диагностике, ремонту и настройке оборудования. Это гарантирует, что ваше производственное оборудование будет работать стабильно и эффективно в течение долгого времени.
Сервоприводы DUPLOMATIC — это надежный выбор для предприятий, стремящихся к максимальному уровню автоматизации и точности. Благодаря своей высокой производительности, устойчивости к экстремальным условиям и поддержке квалифицированного персонала, эти приводы стали неотъемлемой частью современного промышленного производства.
Оставить заявку на ремонт сервопривода DUPLOMATIC
У вас остались вопросы, связанные с ремонтом или сбросом ошибок, а также программированием и настройкой сервоприводов DUPLOMATIC? Оставьте заявку на ремонт сервопривода DUPLOMATIC в Луганске нашим менеджерам. Связаться с ними можно несколькими способами:

- Заполнив форму заявки на ремонт (кнопка в правом верхнем углу сайта)
- Позвонив по номеру телефона:
- +7(8482) 79-78-54;
- +7(8482) 55-96-39;
- +7(917) 121-53-01
- Написав на электронную почту: 89171215301@mail.ru
За время существования сервисного центра нашими специалистами были отремонтированы тысячи единиц промышленной электроники. Вот далеко не полный список производителей промышленной электроники и оборудования, ремонтируемой в нашей компании.

Скачать PDF


