Ремонт частотных преобразователей ABB в Ялте
Тонкости ремонта частотных преобразователей ABB
Ремонт частотного преобразователя ABB, впрочем, как и ремонт частотников других производителей имеет ряд особенностей в силу своего конструктива. Частотные преобразователи, точнее их начинка делятся на две части:
- Аппаратная часть,
- Программная часть.
Частотники данного производителя не являются исключением из правил, именно поэтому ремонт частотного преобразователя ABB имеет точно такой же ряд особенностей, как и у других преобразователей.
Диагностировать ту или иную неисправность помогают коды ошибок частотного преобразователя, которые отображаются на небольшом дисплее, расположенном на лицевой панели привода. Коды ошибок частотного преобразователя ABB мы уже описывали в одноименной статье на нашем сайте.
Ремонт частотных преобразователей ABB, впрочем, как и любых других частотников выпущенных под другими брендами всегда начинается с аппаратной части, после успешного ремонта аппаратной части наступает очередь программной.
Настройка частотного преобразователя ABB прописана в инструкции завода производителя, для каждой серии частотных преобразователей настройка будет индивидуальной, так как каждая линейка преобразователей решает свои собственные задачи, этим обусловливается широкая номенклатура данного промышленного оборудования.
Частотный преобразователь ABB, программирование
Настройка частотных преобразователей ABB (программирование) происходит в рамках установленных производителем правил, существует общий алгоритм по программированию и параметрированию, мы будем пользоваться словосочетанием- программирование частотных преобразователей, относящийся ко всем производителям данного промышленного оборудования.
- Выбор режима управления частотником (управление по показанию датчиков, дистанционное управление, дистанционное управление).
- В случае использования отдельного (выносного) монитора, настраивается вывод на него технической информации.
- Далее определяем конфигурацию подключения серводвигателя. На данной стадии задаются такие параметры как- возможность применения обратной связи либо без ее применения, а в память блока заносятся данные по: величине крутящего момента, мощности потребителей, номинальное значения частоты, напряжение, ток и скорости вращения ротора.
- Программируется минимально допустимая величина напряжения и частоты, а также время ускорения ротора от ноля до номинального значения.
- И в завершении, в программу управления частотным преобразователем ABB вносятся функциональные данные со значениями отдельных клемм и особенностями сигналов. Отмечаются действия оборудования, выполняющиеся автоматически при отсутствии информации поступающей в оперативном режиме с датчика.
В некоторых частотниках существует пункт наличия/отсутствия фильтра в цепи питания двигателя. Этот пункт отвечает за подключение различных видов нагрузок, в том случае, когда возможно выбрать нормальное или инверсное изменение частоты при повышении уровня сигнала обратной связи.
По ссылкам ниже вы можете скачать программное обеспечение для частотных преобразователей ABB
Программное обеспечение для частотных преобразователей ABB
|
Drive Composer Pro 2.4.1 upgrade |
|
|
FCAN-01 EDS Files |
|
|
FENA PROFINET IO GSDML |
|
|
FENA11 EDS filerev 3.6 |
|
|
FPBA-01 GSD files |
|
|
LVD-EOSR08U-EN REVC |
Все настройки частотных преобразователей ABB приведены в технической документации ниже в удобном формате (PDF) который можно скачать на свой компьютер, распечатать или просто открыть на нашем сайте.
Частотный преобразователь ABB, инструкции на русском, скачать
В таблице ниже вы можете скачать русскоязычные руководства по эксплуатации частотного преобразователя ABB
|
Частотный преобразователь ABB ACS310 инструкция на русском |
|
|
Частотный преобразователь ABB ACS480 инструкция на русском |
|
|
Частотный преобразователь ABB ACS550 инструкция на русском |
|
|
Частотный преобразователь ABB ACS580 инструкция на русском |
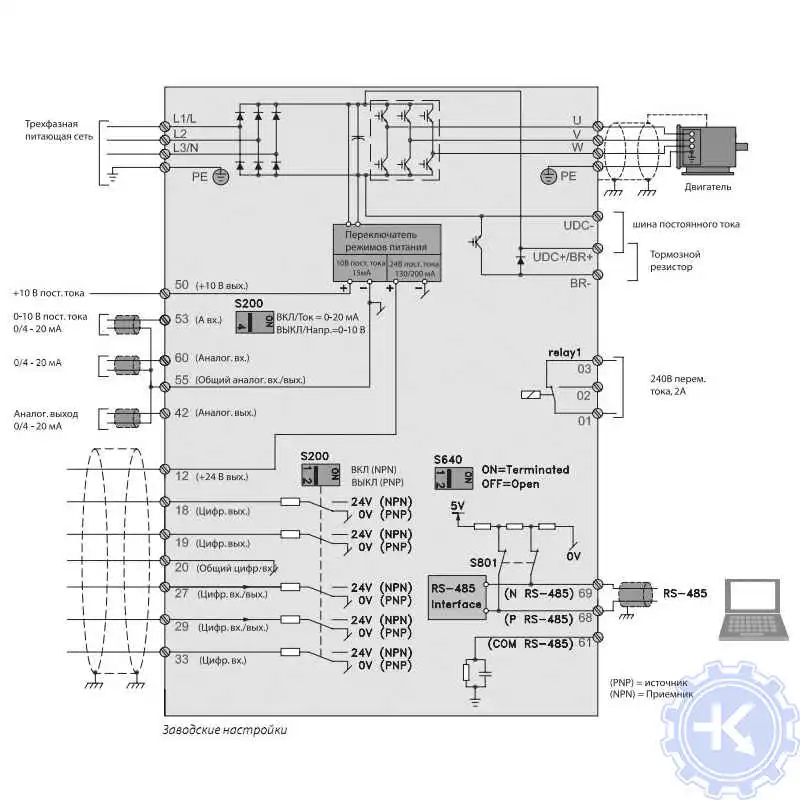
Частотный преобразователь ABB, подключение
Схемы подключений частотных преобразователей ABB могут отличатся друг от друга даже если эти преобразователи относятся ко одной линейке. Схема подключения преобразователя зависит от потребляемой частотным преобразователем нагрузки или питающей сети к которой подключается частотник 200V – 380V.
Ниже приведены схемы подключения частотных преобразователей ABB ACS350 и ABB ACS355:
|
Схема подключения частотного преобразователя ABB ACS350 |
Схема подключения частотного преобразователя ABB ACS355 |
|
|
Ремонт частотных преобразователей ABB в сервисном центре
Компания «Кернел» производит ремонт частотных преобразователей ABB в Ялте с 2002 года. За время существования компании наши сотрудники накопили колоссальный опыт в ремонте преобразователей частоты такого известного производителя как ABB.
Ремонт подобного промышленного оборудования ответственное и сложное занятие, требующие максимальной отдачи, профессионализма и максимально полной материальной базе.
Специалисты нашего сервисного центра максимальное внимание уделяют качеству исполнения ремонта, программирования и настройке промышленных преобразователей частоты, не зависимо от производителя данного промышленного оборудования. Именно поэтому мы смело даем гарантию на ремонт частотных преобразователей ABB и на запасные части замененные в процессе ремонта шесть месяцев.
Ремонт частотных преобразователей ABB в Ялте производится исключительно с использованием оригинальных запасных частей, на компонентном уровне с применением высокотехнологичного оборудования, квалифицированным персоналом с инженерным образованием.
В случае выхода из строя преобразователя частоты на вашем производстве либо появились проблемы с приводом, которые вы не можете решить самостоятельно, мы всегда рады вам помочь. Специалисты нашего сервисного центра в минимальные сроки проведут глубокую диагностику с последующим ремонтом частотного преобразователя ABB. Оставьте заказ на ремонт промышленного оборудования используя форму на сайте, либо свяжетесь с нашими менеджерами, сделать это очень просто.
Оставить заявку на ремонт частотных преобразователей ABB
У вас остались вопросы, связанные с ремонтом частотных преобразователей ABB? Оставьте заявку на ремонт частотных преобразователей ABB в Ялте нашим менеджерам. Связаться с ними можно несколькими способами:

- Заполнив форму заявки на ремонт (кнопка в правом верхнем углу сайта)
- Позвонив по номеру телефона:
- +7(8482) 79-78-54;
- +7(8482) 55-96-39;
- +7(917) 121-53-01
- Написав на электронную почту: 89171215301@mail.ru

Скачать EXE
Скачать ZIP
Скачать PDF
