Ремонт частотного преобразователя Delta в Ялте
Особенности ремонта частотных преобразователей DELTA
Ремонт частотного преобразователя Delta известного китайского производителя, впрочем, как и ремонт частотников выпущенными под другими брендами имеет ряд особенностей в силу своего конструктива. Частотные преобразователи, точнее их начинка делятся на две части:
- Аппаратная часть,
- Программная часть.
Частотники данного производителя не являются исключением из правил, именно поэтому ремонт частотного преобразователя Delta имеет точно такой же ряд особенностей, как и у других преобразователей.
Диагностировать ту или иную неисправность помогают коды ошибок частотного преобразователя, которые отображаются на небольшом дисплее, расположенном на лицевой панели привода. Коды ошибок частотного преобразователя Delta мы уже описывали в одноименной статье на нашем сайте.
Ремонт частотных преобразователей Delta, впрочем, как и любых других частотников выпущенных под другими брендами всегда начинается с аппаратной части, после успешного ремонта аппаратной части наступает очередь программной.
Настройка частотного преобразователя Delta прописана в инструкции завода производителя, для каждой серии частотных преобразователей настройка будет индивидуальной, так как каждая линейка преобразователей решает свои собственные задачи, этим обусловливается широкая номенклатура данного промышленного оборудования. Но все же есть определенная последовательность настройки привода, которая относится ко всем частотным преобразователям, любого бренда.
Программирование, настройка частотного преобразователя Delta
Настройка частотных преобразователей Delta (программирование) происходит в рамках установленных производителем правил, существует общий алгоритм по программированию (настройке частотных преобразователей), относящийся ко всем производителям данного промышленного оборудования. Ниже представлена пошаговая инструкция по настройке частотных преобразователей Delta и подобного промышленного оборудования других брендов.
- Выбор режима управления приводом (управление по показанию датчиков, дистанционное управление, дистанционное управление).
- В случае использования отдельного (выносного) монитора, настраивается вывод на него технической информации.
- Далее определяем конфигурацию подключения серводвигателя. На данной стадии задаются такие параметры как- возможность применения обратной связи либо без ее применения, а в память блока заносятся данные по: величине крутящего момента, мощности потребителей, номинальное значения частоты, напряжение, ток и скорости вращения ротора.
- Программируется минимально допустимая величина напряжения и частоты, а также время ускорения ротора от ноля до номинального значения.
- И в завершении, в программу управления частотным преобразователем Delta вносятся функциональные данные со значениями отдельных клемм и особенностями сигналов. Отмечаются действия оборудования, выполняющиеся автоматически при отсутствии информации поступающей в оперативном режиме с датчика.
В некоторых преобразователях частоты существует пункт наличия/отсутствия фильтра в цепи питания двигателя. Этот пункт отвечает за подключение различных видов нагрузок, в том случае, когда возможно выбрать нормальное или инверсное изменение частоты при повышении уровня сигнала обратной связи.
Частотный преобразователь Delta инструкция на русском, скачать
Все настройки частотных преобразователей Delta приведены в технической документации ниже в удобном формате (PDF) который можно скачать на свой компьютер, распечатать или просто открыть на нашем сайте.
Промышленный частотный преобразователь Delta, инструкции, скачать русскоязычные версии в формате PDF.
|
частотный преобразователь delta VFD-C2000 инструкция на русском. |
|
|
частотный преобразователь delta VFD-CFP2000 инструкция на русском. |
|
|
частотный преобразователь delta VFD-CH2000 инструкция на русском. |
|
|
частотный преобразователь delta VFD-CP2000 инструкция на русском. |
|
|
частотный преобразователь delta VFD-MS300 инструкция на русском. |
|
|
частотный преобразователь delta VFD-B инструкция на русском. |
|
|
частотный преобразователь delta VFD-EL инструкция на русском. |
|
|
частотный преобразователь delta VFD-E инструкция на русском. |
|
|
частотный преобразователь delta VFD-L инструкция на русском. |
Лифтовый частотный преобразователь Delta, инструкции, скачать русскоязычные версии в формате PDF.
|
частотный преобразователь delta VFD-DD инструкция на русском. |
|
|
частотный преобразователь delta VFD-ED инструкция на русском. |
|
|
частотный преобразователь delta VFD-VL инструкция на русском. |
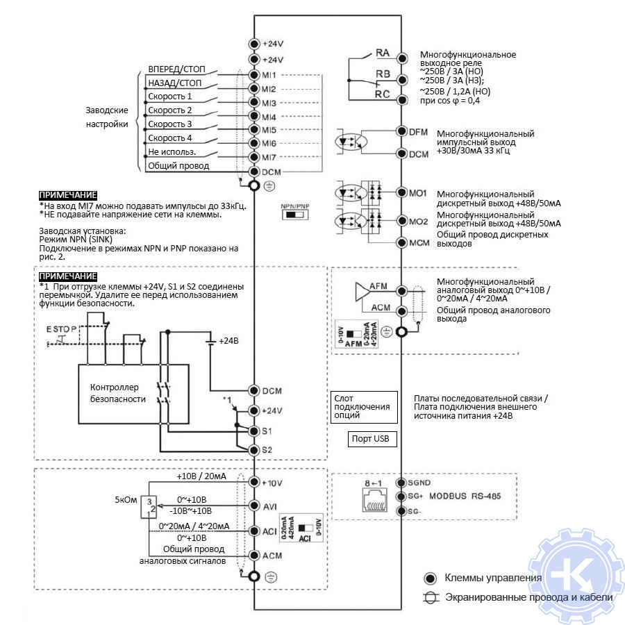
Схемы подключения частотного преобразователя Delta
Схемы подключений частотных преобразователей Delta могут отличатся друг от друга даже если эти преобразователи относятся ко одной линейке. Схема подключения преобразователя зависит от многих факторов таких как потребляемая частотным преобразователем нагрузка или питающая сеть к которой подключается частотник 200V – 380V, управления преобразователем Delta с панели или удаленно.
|
Схема подключения частотного преобразователя Delta VFD-MS300 |
Схема подключения частотного преобразователя Delta VFD-B |
|
|
|
Схема подключения частотного преобразователя Delta VFD-EL |
|
|
|
Ремонт частотных преобразователей Delta в сервисном центре
Компания «Кернел» производит ремонт частотных преобразователей Delta в Ялте с 2002 года. За время существования компании наши сотрудники накопили колоссальный опыт в ремонте преобразователей частоты от известного китайского производителя Delta.
Ремонт подобного промышленного оборудования ответственное и сложное занятие, требующие максимальной отдачи, профессионализма и максимально полной материальной базе.
Специалисты нашего сервисного центра максимальное внимание уделяют качеству исполнения ремонта, программирования и настройке промышленных преобразователей частоты, не зависимо от производителя данного промышленного оборудования. Именно поэтому мы смело даем гарантию на ремонт частотного преобразователя DELTA шесть месяцев.
Ремонт частотных преобразователей Delta в Ялте производится исключительно с использованием оригинальных запасных частей, на компонентном уровне с применением высокотехнологичного оборудования, квалифицированным персоналом с инженерным образованием.
В случае выхода из строя преобразователя частоты на вашем производстве либо появились проблемы с приводом, которые вы не можете решить самостоятельно, мы всегда рады вам помочь. Специалисты нашего сервисного центра в минимальные сроки проведут глубокую диагностику с последующим ремонтом частотного преобразователя Delta. Оставьте заказ на ремонт промышленного оборудования используя форму на сайте, либо свяжетесь с нашими менеджерами, сделать это очень просто.
Оставить заявку на ремонт частотного преобразователя DELTA
У вас остались вопросы, связанные с ремонтом частотных преобразователей Delta в Ялте? Оставьте заявку на ремонт нашим менеджерам. Связаться с ними можно несколькими способами:

- Заполнив форму заявки на ремонт (кнопка в правом верхнем углу сайта)
- Позвонив по номеру телефона:
- +7(8482) 79-78-54;
- +7(8482) 55-96-39;
- +7(917) 121-53-01
- Написав на электронную почту: 89171215301@mail.ru

Скачать PDF

