Ошибки и ремонт частотных преобразователей NIDEC в Ялте
Ремонт частотных преобразователей NIDEC

Ремонт частотного преобразователя NIDEC, впрочем, как и ремонт частотников других производителей имеет ряд особенностей в силу своего конструктива. Частотные преобразователи, точнее их начинка делятся на две части:
- Аппаратная часть,
- Программная часть.
Частотники данного производителя не являются исключением из правил, именно поэтому ремонт частотного преобразователя NIDEC имеет точно такой же ряд особенностей, как и у других преобразователей.
Диагностировать ту или иную неисправность помогают коды ошибок частотного преобразователя, которые отображаются на небольшом дисплее, расположенном на лицевой панели привода. Коды ошибок частотного преобразователя NIDEC в зависимости от серии описаны в инструкции, пользователя которые можно скачать с нашего сайта.
Ремонт частотных преобразователей NIDEC в Ялте, как и любых других преобразователей, выпущенных под другими брендами, всегда начинается с аппаратной части, после успешного ремонта аппаратной части наступает очередь программной.
Настройка частотного преобразователя NIDEC также прописана в инструкции завода производителя, для каждой серии частотных преобразователей настройка будет индивидуальной, так как каждая линейка преобразователей решает свои собственные задачи, этим обусловливается широкая номенклатура данного промышленного оборудования.
Ремонт частотных преобразователей NIDEC в сервисном центре

Компания «Кернел» производитремонт частотных преобразователей NIDEC в Ялте с 2002 года. За время существования компании наши сотрудники накопили колоссальный опыт в ремонте преобразователей частоты такого известного производителя как NIDEC. Ремонт подобного промышленного оборудования ответственное и сложное занятие, требующие максимальной отдачи, профессионализма и максимально полной материальной базе.
Специалисты нашего сервисного центра максимальное внимание уделяют качеству исполнения ремонта, программирования и настройке промышленных преобразователей частоты, не зависимо от производителя данного промышленного оборудования. Именно поэтому мы смело даем гарантию на все выполненные работы шесть месяцев.
Ремонт частотных преобразователей NIDEC в Ялте производится исключительно с использованием оригинальных запасных частей, на компонентном уровне с применением высокотехнологичного диагностического оборудования, квалифицированным персоналом с инженерным образованием.
В случае выхода из строя преобразователя частоты на вашем производстве либо появились проблемы с приводом, которые вы не можете решить самостоятельно, мы всегда рады вам помочь. Специалисты нашего сервисного центра в минимальные сроки проведут глубокую диагностику с последующим ремонтом частотного преобразователя NIDEC.
Инженеры сервисного центра выполняют качественный ремонт частотных преобразователей NIDEC всех серий, когда-либо выпускаемых компанией.
| Серия ПЧ | Типы частотных преобразователей NIDEC |
|---|---|
| NIDEC AD1000 | AD1A0P3FBBNH; AD1A0P4FBBNH; AD1A0P6FBBNH; AD1A008FBBNH; AD1A011FBBNH; AD1A015FBBNH; AD1A018FBBNH; AD1A022FBBNH; AD1A028FBBNH; AD1A030FBBFH; AD1A036FBBFH; AD1A045FBNFH; AD1A053FBNFH; AD1A066FBNFH; AD1A086FBNFH; AD1A108FBNFH; AD1A125FBNFH; AD1A150FBNFH; AD1A166FBNFH; AD1A210FBNFH; AD1A260FBNFH; AD1A290FBNFH; AD1A350FBNFH; AD1A370FBNFH; AD1A440FBNFH; AD1A480FBNFH; AD1A520FBNFH |
| NIDEC AD3000 | AD3A0P3FBBNH; AD3A0P4FBBNH; AD3A0P6FBBNH; AD3A008FBBNH; AD3A011FBBNH; AD3A015FBBNH; AD3A018FBBNH; AD3A022FBBNH; AD3A028FBBNH; AD3A030FBBFH; AD3A036FBBFH; AD3A045FBNFH; AD3A053FBNFH; AD3A066FBNFH; AD3A086FBNFH; AD3A108FBNFH; AD3A125FBNFH; AD3A150FBNFH; AD3A166FBNFH; AD3A210FBNFH; AD3A260FBNFH; AD3A290FBNFH; AD3A350FBNFH; AD3A370FBNFH; AD3A440FBNFH; AD3A480FBNFH; AD3A520FBNFH; AD3A580FBNFH; AD3A700FBNFH; AD3A740FBNFH; AD3A880FBNFH; AD3A960FBNFH; AD3A1K0FBNFH; AD3A1K1FBNFH; AD3A1K3FBNFH; AD3A1K4FBNFH; AD3A1K6FBNFH; AD3A260KBNFH; AD3A280KBNFH; AD3A440KBNFH; AD3A500KBNFH; AD3A530KBNFH; AD3A650KBNFH; AD3A880KBNFH; AD3A1K0KBNFH; AD3A1K1KBNFH; AD3A1K3KBNFH; AD3A1K5KBNFH; AD3A1K6KBNFH; AD3A2K0KBNFH; AD3A030YBAFH; AD3A036YBAFH; AD3A045YBAFH; AD3A053YBAFH; AD3A066YBAFH; AD3A086YBAFH; AD3A108YBAFH; AD3A125YBAFH; AD3A150YBAFH; AD3A166YBAFH; AD3A210YBAFH; AD3A260YBAFH; AD3A290YBAFH; AD3A350YBAFH; AD3A370YBAFH; AD3A440YBAFH; AD3A520YBAFH; AD3A580YBAFH; AD3A700YBAFH; AD3A740YBAFH; AD3A880YBAFH; AD3A1K0YBAFH; AD3A1K1YBAFH; AD3A1K3YBAFH; AD3A1K6YBAFH; AD3A260JBAFH; AD3A280JBAFH; AD3A500JBAFH; AD3A530JBAFH; AD3A1K0JBAFH; AD3A1K1JBAFH; AD3A1K5JBAFH; AD3A1K6JBAFH |
| NIDEC AD700E | AD07-E-1-2-023-1-0102; AD07-E-1-2-043-1-0102; AD07-E-1-2-070-1-0102; AD07-E-2-2-070-1-0112; AD07-E-2-2-105-1-0112; AD07-E-1-1-023-1-0002; AD07-E-1-1-043-1-0002; AD07-E-2-1-058-1-0012; AD07-E-1-2-023-1-0002; AD07-E-1-2-043-1-0002; AD07-E-1-2-070-1-0002; AD07-E-2-2-070-1-0012; AD07-E-2-2-105-1-0012; AD07-E-3-2-153-1-0012; AD07-E-2-2-070-3-0112; AD07-E-2-2-105-3-0112; AD07-E-3-2-180-3-0112; AD07-E-3-2-240-3-0112; AD07-E-4-2-300-3-0112; AD07-E-4-2-460-3-0112; AD07-E-1-2-023-3-0002; AD07-E-1-2-043-3-0002; AD07-E-2-2-070-3-0012; AD07-E-1-2-070-3-0002; AD07-E-2-2-105-3-0012; AD07-E-3-2-180-3-0012; AD07-E-3-2-240-3-0012; AD07-E-4-2-300-3-0012; AD07-E-4-2-460-3-0012; AD07-E-1-4-022-3-0102; AD07-E-1-4-041-3-0102; AD07-E-2-4-041-3-0112; AD07-E-2-4-058-3-0112; AD07-E-2-4-095-3-0112; AD07-E-3-4-140-3-0112; AD07-E-3-4-180-3-0112; AD07-E-3-4-240-3-0112; AD07-E-4-4-300-3-0112; AD07-E-4-4-390-3-0112; AD07-E-4-4-460-3-0112; AD07-E-1-4-022-3-0002; AD07-E-1-4-041-3-0002; AD07-E-2-4-041-3-0012; AD07-E-2-4-058-3-0012; AD07-E-2-4-095-3-0012; AD07-E-3-4-140-3-0012; AD07-E-3-4-180-3-0012; AD07-E-3-4-240-3-0012; AD07-E-4-4-300-3-0012; AD07-E-4-4-390-3-0012; AD07-E-4-4-460-3-0012 |
| NIDEC Silcovert TH 7000 | SVTH 290 A24 18P; SVTH 440 A24 18P; SVTH 580 A24 18P; SVTH 870 A24 18P; SVTH 1K1 A24 18P; SVTH 1K5 A24 18P; SVTH 2K0 A24 18P; SVTH 2K3 A24 18P; SVTH 2K7 A24 18P; SVTH 400 A33 18P; SVTH 600 A33 18P; SVTH 800 A33 18P; SVTH 1K2 A33 18P; SVTH 1K5 A33 18P; SVTH 2K1 A33 18P; SVTH 2K7 A33 18P; SVTH 3K1 A33 18P; SVTH 3K7 A33 18P; SVTH 500 A41 24P; SVTH 750 A41 24P; SVTH 1K0 A41 24P; SVTH 1K5 A41 24P; SVTH 1K9 A41 24P; SVTH 2K6 A41 24P; SVTH 3K5 A41 24P; SVTH 4K0 A41 24P; SVTH 4K7 A41 24P; SVTH 700 A60 30P; SVTH 1K1 A60 30P; SVTH 1K4 A60 30P; SVTH 2K2 A60 30P; SVTH 2K8 A60 30P; SVTH 3K7 A60 30P; SVTH 5K0 A60 30P; SVTH 5K7 A60 30P; SVTH 6K8 A60 30P; SVTH 800 A66 36P; SVTH 1K2 A66 36P; SVTH 1K6 A66 36P; SVTH 2K4 A66 36P; SVTH 3K1 A66 36P; SVTH 4K1 A66 36P; SVTH 5K5 A66 36P; SVTH 6K3 A66 36P; SVTH 7K4 A66 36P; SVTH 870 A72 36P; SVTH 1K3 A72 36P; SVTH 1K7 A72 36P; SVTH 2K6 A72 36P; SVTH 3K4 A72 36P; SVTH 4K5 A72 36P; SVTH 6K0 A72 36P; SVTH 6K9 A72 36P; SVTH 8K1 A72 36P; SVTH 4K0W41 24P; SVTH 4K7W41 24P; SVTH 5K8W41 24P; SVTH 8K3W41 24P; SVTH 10K8 A41 24P; SVTH 12K2W41 24P; SVTH 5K7W60 30P; SVTH 6K8W60 30P; SVTH 8K3W60 30P; SVTH 12K0W60 30P; SVTH 15K6W60 30P; SVTH 17K7W60 30P; SVTH 6K3W66 36P; SVTH 7K4W66 36P; SVTH 9K1W66 36P; SVTH 13K1W66 36P; SVTH 17K1W66 36P; SVTH 19K4W66 36P; SVTH 6K9W72 36P; SVTH 8K1W72 36P; SVTH 10K0W72 36P; SVTH 14K3W72 36P; SVTH 18K7W72 36P; SVTH 21K2W72 36P |
| NIDEC Silcovert TH 14000 | SVTH 2K2 A10 24P; SVTH 4K3 A10 24P; SVTH 6K9 A10 24P; SVTH 8K7 A10 24P; SVTH 10K4 A10 24P; SVTH 2K4 A11 30P; SVTH 4K8 A11 30P; SVTH 7K6 A11 30P; SVTH 9K5 A11 30P; SVTH 11K4 A11 30P; SVTH 2K4 A11 30P; SVTH 4K8 A11 30P; SVTH 7K6 A11 30P; SVTH 9K5 A11 30P; SVTH 11K4 A11 30P; SVTH 3K0 W10 24; SVTH 6K1 W10 24P; SVTH 9K7 W10 24P; SVTH 12K1 W10 24P; SVTH 14K5 W10 24P; SVTH 18K2 W10 24P; SVTH 21K8 W10 24P; SVTH 3K3 W11 30P; SVTH 6K7 W11 30P; SVTH 10K7 W11 30P; SVTH 13K3 W11 30P; SVTH 16K0 W11 30P; SVTH 20K0 W11 30P; SVTH 24K0 W11 30P; SVTH 4K2 W13 36P; SVTH 8K4 W13 36P; SVTH 13K4 W13 36P; SVTH 16K7 W13 36P; SVTH 20K1 W13 36P; SVTH 25K1 W13 36P; SVTH 30K1 W13 36P; SVTH 12K1 W10 24P; SVTH 14K5 W10 24P; SVTH 18K2 W10 24P; SVTH 21K8 W10 24P; SVTH 24K2 W10 48P; SVTH 29K1 W10 48P; SVTH 13K3 W11 30P; SVTH 16K0 W11 30P; SVTH 20K0 W11 30P; SVTH 24K0 W11 30P; SVTH 16K7 W13 36P; SVTH 20K1 W13 36P; SVTH 25K1 W13 36P; SVTH 30K1 W13 36P |
В данной таблице присутствуют далеко не все частотные преобразователи NIDEC ремонт которых предлагает наш сервисный центр.
Ошибки частотного преобразователя NIDEC

В процессе работы выходит из строя даже самое надежное промышленное оборудование. Частотники в наше время, нашли широкое применение абсолютно во всех сферах промышленности, управляя как мини моторами в оргтехнике, так и гигантскими двигателями в горнодобывающей промышленности.
Для простоты общения со столь сложной электроникой все частотные преобразователи оснащены небольшими дисплеями с помощью которых выводятся информационные сообщения с кодами ошибок, расшифровав которые можно сразу же узнать причину ее возникновения. Если учесть распространенность данной промышленной электроники, то появляется острая нужда в расшифровке кодов ошибок частотных преобразователей. В этой статье мы рассмотрим одного из самых известных производителей промышленной электроники имеющему уважение во всем мире, NIDEC и серию приводов AD700E.
Существует несколько видов ошибок, некоторые из них можно устранить автоматически, а некоторые возможно исправить только, обратившись в специализированный сервисный центр. В руководстве пользователя прописаны все коды ошибок частотного преобразователя NIDEC и их расшифровка.
Коды ошибок частотного преобразователя NIDEC AD700E
| Код ошибки | № | Описание | Устранение |
|---|---|---|---|
| no-Fit | 00 | No Fault | Not required |
| 0i-b | 01 | Brake channel over current | Check external brake resistor condition and connection wiring |
| 0l-br | 02 | Brake resistor overload | The drive has tripped to prevent damage to the brake resistor |
| 0-i | 03 | Output Over Current | Instantaneous Over current on the drive output. Excess load or shock load on the motor. |
| i_t-trp | 04 | Motor Thermal Overload (I2t) | The drive has tripped after delivering >100% of value in P-08 for a period of time to prevent damage to the motor. |
| ps-trp | 05 | Power stage trip | Check for short circuits on the motor and connection cable |
| O-uolt | 06 | Over voltage on DC bus | Check the supply voltage is within the allowed tolerance for the drive. If the fault occurs on deceleration or stopping, increase the deceleration time in P-04 or install a suitable brake resistor and activate the dynamic braking function with P-34 |
| U-uolt | 07 | Under voltage on DC bus | The incoming supply voltage is too low. This trip occurs routinely when power is removed from the drive. If it occurs during running, check the incoming power supply voltage and all components in the power feed line to the drive. |
| 0-t | 08 | Heatsink over temperature | The drive is too hot. Check the ambient temperature around the drive is within the drive specification. Ensure sufficient cooling air is free to circulate around the drive. Increase the panel ventilation if required. Ensure sufficient cooling air can enter the drive, and that the bottom entry and top exit vents are not blocked or obstructed. |
| U-t | 09 | Under temperature | Trip occurs when ambient temperature is less than -10°C. Temperature must be raised over -10°C in order to start the drive. |
| P-dEf | 10 | Factory Default parameters loaded | |
| E-tr,p | 11 | External trip | E-trip requested on digital input 3. Normally closed contact has opened for some reason. If motor thermistor is connected check if the motor is too hot. |
| SC-0bs | 12 | Comms loss | Check communication link between drive and external devices. Make sure each drive in the network has its unique address. |
| Flt-dc | 13 | DC bus ripple too high | Check incoming supply phases are all present and balanced |
| p-lOss | 14 | Input phase loss trip | Check incoming power supply phases are present and balanced. |
| h 0-i | 15 | Output Over Current | Check for short circuits on the motor and connection cable |
| th-Fit | 16 | Faulty thermistor on heatsink | |
| dAtA-F | 17 | Internal memory fault. (IO) | Press the stop key. If the fault persists, consult you supplier. |
| 4-20 F | 18 | 4-20mA Signal Lost | Check the analog input connection(s). |
| dAtA-E | 19 | Internal memory fault. (DSP) | Press the stop key. If the fault persists, consult you supplier. |
| F-Ptc | 21 | Motor PTC thermistor trip | Connected motor thermistor over temperature, check wiring connections and motor |
| FAn-F | 22 | Cooling Fan Fault (IP66 only) | Check / replace the cooling fan |
| 0-hEAt | 23 | Drive internal temperature too high | Drive ambient temperature too high, check adequate cooling air is provided |
| Atf-01 | 40 | Autotune Fault | The motor parameters measured through the autotune are not correct. Check the motor cable and connections for continuity. Check all three phases of the motor are present and balanced. |
| Atf-02 | 41 | ||
| Atf-03 | 42 | ||
| Atf-04 | 43 | ||
| Atf-05 | 44 | ||
| SC-F01 | 50 | Modbus comms loss fault | Check the incoming Modbus RTU connection cable. Check that at least one register is being polled cyclically within the timeout limit set in P-36 Index 3 |
| SC-F02 | 51 | CANopen comms loss trip | Check the incoming CAN connection cable. Check that cyclic communications take place within the timeout limit set in P-36 Index 3 |
Документация
|
Руководство по эксплуатации преобразователя частоты NIDEC AD700 |
Скачать PDF |
|
Руководство по эксплуатации преобразователей частоты NIDEC AD1000 |
Скачать PDF |
|
Руководство по эксплуатации преобразователя частоты NIDEC AD3000 |
Скачать PDF |
|
Преобразователи частоты NIDEC SILCOVERT TH 7000 и 14000 брошура |
Скачать PDF |
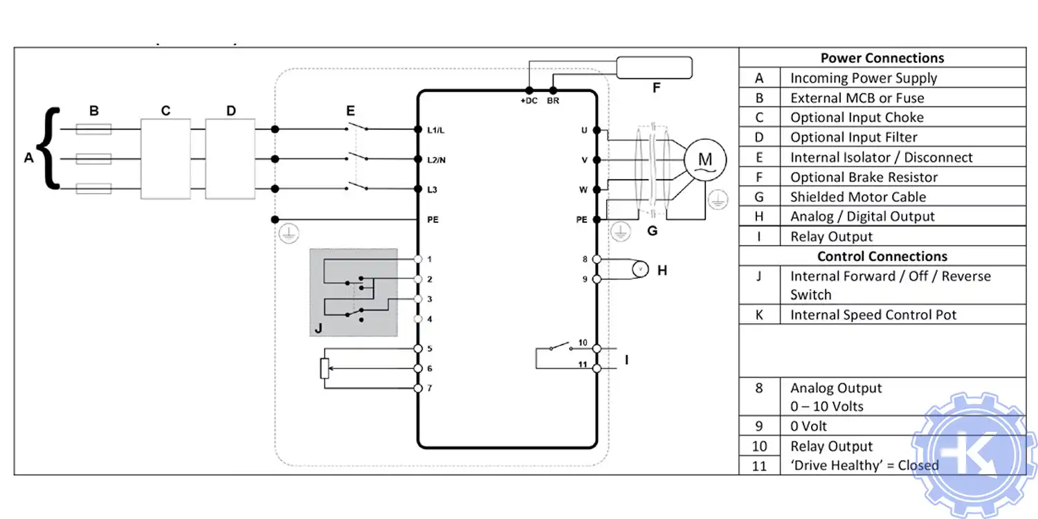
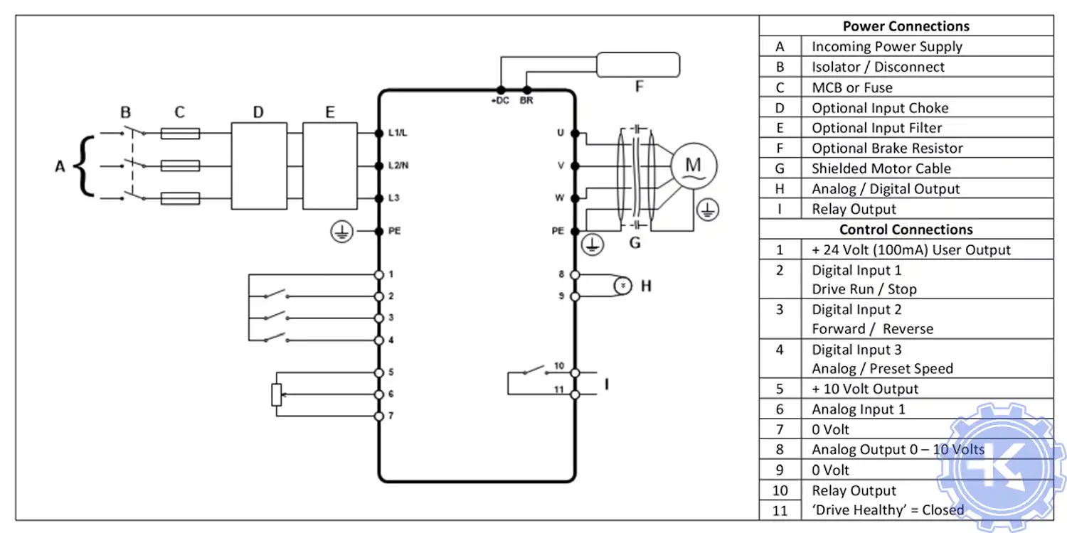
Схемы подключения частотных преобразователей NIDEC

Для максимально долгой и безаворийной работы частотных преобразователей важно неукоснительно соблюдать все, что прописано в документации.
Обязательно должны соблюдаться все рекомендации, изложенные в инструкции по монтажу и эксплуатации, в особенности требования по технике безопасности!
Преобразователь частоты разработан таким образом, что он пытается избежать аварийных отключений путем ограничения момента, перенапряжения и т.п.
Появление сбоев при вводе в эксплуатацию или вскоре после него обычно свидетельствует о неверной настройке или неправильном подключении.
Возникновение неисправностей или проблем после длительного режима бесперебойной работы обычно происходит по причине изменений в системе или ее окружении (например, в результате износа).
Дополнительную информацию по частотным преобразователям NIDEC можно посмотреть и скачать на офсайте.
Настройка частотного преобразователя NIDEC, программирование

Настройка частотных преобразователей NIDEC (программирование) происходит в рамках установленных производителем правил, существует общий алгоритм по программированию (настройке частотных преобразователей), относящийся ко всем производителям данного промышленного оборудования. Ниже представлена пошаговая инструкция по настройке частотных преобразователей NIDEC.
- Выбор режима управления приводом NIDEC (управление по показанию датчиков, дистанционное управление, дистанционное управление).
- В случае использования отдельного (выносного) монитора, настраивается вывод на него технической информации.
- Далее определяем конфигурацию подключения серводвигателя. На данной стадии задаются такие параметры как- возможность применения обратной связи либо без ее применения, а в память блока заносятся данные по: величине крутящего момента, мощности потребителей, номинальное значения частоты, напряжение, ток и скорости вращения ротора.

- Программируется минимально допустимая величина напряжения и частоты, а также время ускорения ротора от ноля до номинального значения.
- И в завершении, в программу управления частотным преобразователем NIDEC вносятся функциональные данные со значениями отдельных клемм и особенностями сигналов. Отмечаются действия оборудования, выполняющиеся автоматически при отсутствии информации поступающей в оперативном режиме с датчика.
В некоторых частотниках существует пункт наличия/отсутствия фильтра в цепи питания двигателя. Этот пункт отвечает за подключение различных видов нагрузок, в том случае, когда возможно выбрать нормальное или инверсное изменение частоты при повышении уровня сигнала обратной связи.
Все настройки частотных преобразователей NIDEC приведены в технической документации к частотному преобразователю который можно скачать на свой компьютер, распечатать или просто открыть как на нашем так и на официальном сайте NIDEC.
Оставить заявку на ремонт частотных преобразователей NIDEC
У вас вышел из строя частотник? Вам необходим срочный ремонт частотных преобразователей NIDEC в Ялте? Оставьте заявку на ремонт нажав на одноименную кнопку в верхней правой части экрана либо свяжитесь с нашими менеджерами. Связаться с ними можно несколькими способами:

- Заполнив форму заявки на ремонт (кнопка в правом верхнем углу сайта)
- Позвонив по номеру телефона:
- +7(8482) 79-78-54;
- +7(8482) 55-96-39;
- +7(917) 121-53-01
- Написав на электронную почту: 89171215301@mail.ru
Далеко не полный список производителей промышленной электроники и оборудования, ремонтируемой в нашей компании.
Похожие статьи
-
Другие услуги по ремонту промышленной эелектроники и оборудования
- Ремонт частотных преобразователей в Ялте
- Промышленный привод, ремонт в Ялте
- Ремонт частотных преобразователей Веспер в Ялте
- Ремонт частотного преобразователя Danfoss в Ялте
- Ремонт частотного преобразователя Lenze в Ялте
- Ремонт частотных преобразователей ABB в Ялте
- Ремонт частотных преобразователей Siemens в Ялте
- Ремонт частотного преобразователя INVT в Ялте
- Ремонт частотного преобразователя Schneider Altivar в Ялте
- Частотный преобразователь frenic, ремонт частотников FUJI в Ялте
- Ремонт частотного преобразователя Delta в Ялте
- Частотный преобразователь VACON, ремонт частотника в Ялте
- Ремонт частотных преобразователей KEB в Ялте
- Ремонт частотного преобразователя Omron в Ялте
- Частотный преобразователь Mitsubishi Electric, ремонт привода в Ялте
- Ремонт частотников Emerson - Control techniques, Unidrive - Commander в Ялте
- Ремонт частотного преобразователя Yaskawa в Ялте
- Allen Bradley преобразователи частоты, ремонт Allen Bradley в Ялте
- Ремонт частотника Baumuller в Ялте
- Преобразователи частоты Bosch Rexroth, ремонт Bosch Rexroth в Ялте
- Ремонт Rexroth Indramat в Ялте
- Fanuc, ремонт привода в Ялте
- Ошибки и ремонт частотных преобразователей Emotron в Ялте
- Ремонт частотного преобразователя KONE в Ялте, ошибки
- Ошибки и ремонт частотного преобразователя STOBER POSIDRIVE в Ялте
- Ошибки и ремонт частотного преобразователя ESQ в Ялте
- Ошибки и ремонт частотного преобразователя INNOVERT в Ялте
- Ошибки и ремонт частотных преобразователей BONFIGLIOLI в Ялте
- Ошибки и ремонт частотных преобразователей WILO в Ялте
- Ремонт частотных преобразователей SIRIO и NETTUNO в Ялте, ошибки
- Ошибки и ремонт частотных преобразователей HYUNDAI в Ялте
- Ошибки и ремонт частотных преобразователей IDS-DRIVE в Ялте
- Ошибки и ремонт частотных преобразователей LG LS в Ялте
- Ошибки и ремонт частотных преобразователей HYDROVAR в Ялте
- Ошибки и ремонт частотных преобразователей SEW-EURODRIVE в Ялте
- Ошибки и ремонт частотных преобразователей ОВЕН в Ялте
- Ошибки и ремонт частотных преобразователей HITACHI в Ялте
- Ошибки и ремонт частотных преобразователей TOSHIBA в Ялте
- Ошибки и ремонт частотных преобразователей IEK в Ялте
- Ошибки и ремонт частотных преобразователей PROSTAR в Ялте
- Ошибки и ремонт частотных преобразователей GEFRAN в Ялте
- Ошибки и ремонт частотного преобразователя OTIS в Ялте
- Ошибки и ремонт частотного преобразователя SANTERNO в Ялте
- Ремонт и программирование частотных преобразователей ARKEL A-DRIVE в Ялте
- Ремонт и программирование частотных преобразователей SIEI ARTDrive в Ялте
- Ошибки и ремонт частотных преобразователей Schindler Biodyn в Ялте
- Ошибки и ремонт частотных преобразователей Sigma LG в Ялте
- Ошибки и ремонт частотных преобразователей THYSSEN в Ялте
- Ошибки и ремонт частотных преобразователей Macpuarsa в Ялте
- Ошибки и ремонт частотных преобразователей Canny в Ялте
- Ошибки и ремонт частотных преобразователей ERMAN в Ялте
- Ошибки и ремонт частотных преобразователей EKF в Ялте
- Ошибки и ремонт частотных преобразователей INOVANCE в Ялте
- Ошибки и ремонт частотных преобразователей KUKA в Ялте
- Ошибки и ремонт частотных преобразователей DEMAG в Ялте
- Ошибки и ремонт частотных преобразователей EuraDrives в Ялте
- Ошибки и ремонт частотных преобразователей Parker в Ялте
- Ошибки и ремонт частотных преобразователей NIDEC в Ялте
- Ошибки и ремонт частотных преобразователей NORD в Ялте
- Ошибки и ремонт частотных преобразователей Panasonic в Ялте
- Ошибки и ремонт частотных преобразователей Eurotherm в Ялте
- Ошибки и ремонт частотных преобразователей Berges в Ялте
- Ошибки и ремонт частотных преобразователей Hormann в Ялте
- Все услуги по ремонту промышленной электроники и оборудования

Скачать PDF

